
Lodestar Air XL 氣動環鏈葫蘆
Lodestar Air XL 氣動環鏈葫蘆 德國耶魯yale氣動環鏈葫蘆
額定載荷 2000 - 7500 公斤
Lodestar Air XL型氣動環鏈葫蘆系列是您物料搬運的理想選擇,可應用于電動葫蘆無法操作的環境。Lodestar Air XL型氣動環鏈葫蘆系列可提供多種控制速度,比電動葫蘆更加節約成本。
產品特性
· Lodestar XL型氣動環鏈葫蘆的額定載荷*高為7.5噸,具有高工作級別和無級變速來精確定位,是不能提供電源的危險環境的理想選擇。
· 可在90 PSI (6.2bar)氣壓下每分鐘運行2.7至9.3米。
· 采用控制手柄操作,可精細定位。
· 配有吊鉤或吊柄懸掛方式。吊柄懸掛方式可與手推/手拉小車或氣動小車搭配使用。
· 由6葉片組成氣動馬達具有高扭矩,平穩操作。
· 采用先導控制閥啟動更平穩。
· 氣動馬達制動裝置可有效控制重物。
· 采用精細鍛壓鋼的齒輪傳動機構經油浸潤滑,可更加長久和安靜的操作。
· 采用10窩輪的起升鏈輪,可更加平穩操作并減少鏈條磨損。
· 具有過載保護裝置,防止葫蘆,操作者等由于過載操作而受到損傷。
· 精細定位-重物的上下速度可在零至*大值之間連續變量。
· 可在極高溫度下操作-可在高溫下操作而無需額外保護。
· 提俠更高的速度需求-對于速度要求十分苛刻的應用,Lodestar Air XL型氣動環鏈葫蘆系列可提供更高的速度。
· 遠離電擊危險-氣壓是氣動葫蘆的動力來源,因此較之電動葫蘆具有遠離電擊的顯著優勢。
· 易于維護-較之電動葫蘆沒有接觸器,變壓器,馬達組件,保險絲等需要更換配件。只要提供優質氣源并潤滑,Lodestar Air XL型氣動環鏈葫蘆系列是非常易于維護。
產品選項
· 可選防火花選項一可提供鍍銅吊鉤,不銹鋼安全搭扣和鍍質起重鏈條。
技術參數
|
型號
|
額定載荷 kg
|
標準起升高度 m
|
空氣壓力 bar
|
負載時起升速度 m/min
|
氣動小車速度 m/min
|
下吊鉤鏈條數
|
工字鋼寬度 mm
|
*小轉彎半徑 m
|
負載時耗氣量 m³/min
|
氣管接頭尺寸
|
風管*小內徑 mm
|
排氣口尺寸
|
凈重 kg
|
|
吊鉤式
|
手推式
|
手拉式
|
氣動小車式
|
|
YAXL0231
|
2000
|
3
|
6.2
|
9.4
|
15.2
|
1
|
85-141
|
1.2
|
5.0
|
1 NPT
|
25.4
|
11/4 NPT
|
157
|
184
|
205
|
229
|
|
YAXL0321
|
3000
|
3
|
6.2
|
6.4
|
15.2
|
2
|
102-159
|
1.2
|
5.0
|
1 NPT
|
25.4
|
11/4 NPT
|
191
|
216
|
222
|
258
|
|
YAXL0513
|
5000
|
3
|
6.2
|
3.9
|
15.2
|
2
|
102-159
|
1.8
|
5.0
|
1 NPT
|
25.4
|
11/4 NPT
|
191
|
261
|
266
|
277
|
|
YAXL0610
|
6000
|
3
|
6.2
|
3.0
|
15.2
|
3
|
102-159
|
1.8
|
5.0
|
1 NPT
|
25.4
|
11/4 NPT
|
205
|
275
|
280
|
291
|
|
YAXL07.509
|
7000
|
3
|
6.2
|
2.6
|
15.2
|
3
|
102-159
|
1.8
|
5.0
|
1 NPT
|
25.4
|
11/4 NPT
|
N/A
|
275
|
280
|
291
|
外形尺寸
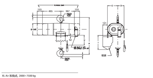
XL吊鉤式外形尺寸
|
型號
|
2t
|
3t&5t
|
6t
|
|
A, mm
|
635
|
897
|
919
|
|
C, mm
|
214
|
289
|
289
|
|
D, mm
|
206
|
140
|
140
|
|
T, mm
|
360
|
360
|
360
|
|
U, mm
|
1905
|
1905
|
1905
|
|
V, mm
|
38
|
57
|
57
|
|
W, mm
|
29
|
41
|
41
|
|
X, mm
|
33
|
52
|
52
|
|
Z, mm
|
105
|
140
|
140
|
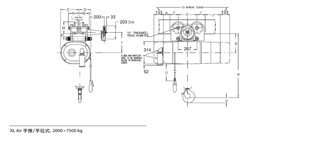
XL手推/手拉式外形尺寸
|
型號
|
2t
|
3t
|
5t
|
6t & 7.5t
|
|
A, mm
|
729
|
851
|
857
|
879
|
|
B, mm
|
248
|
265
|
271
|
271
|
|
C, mm
|
214
|
289
|
289
|
289
|
|
D, mm
|
213
|
140
|
140
|
140
|
|
E, mm
|
241
|
232
|
305
|
305
|
|
F, mm
|
89
|
83
|
122
|
122
|
|
H, mm
|
133
|
144
|
68
|
68
|
|
J, mm
|
256
|
267
|
191
|
191
|
|
K, mm
|
119
|
102
|
165
|
165
|
|
L, mm
|
13
|
16
|
16
|
16
|
|
M, mm
|
13
|
68
|
0
|
0
|
|
N, mm
|
127
|
92
|
98
|
98
|
|
P, mm
|
32
|
10
|
11
|
11
|
|
T, mm
|
360
|
360
|
360
|
360
|
|
U, mm
|
1905
|
1905
|
1905
|
1905
|
|
V, mm
|
38
|
57
|
57
|
57
|
|
W, mm
|
29
|
41
|
41
|
41
|
|
X, mm
|
33
|
52
|
52
|
52
|
|
Y, mm
|
287
|
327
|
283
|
283
|
|
Z, mm
|
-
|
486
|
486
|
486
|

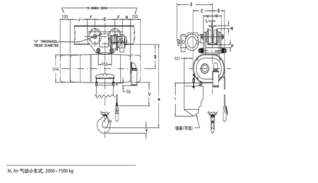
XL氣動小車式外形尺寸
|
型號
|
2t
|
3t
|
5t
|
6t & 7.5t
|
|
A, mm
|
851
|
851
|
857
|
879
|
|
B, mm
|
265
|
265
|
271
|
271
|
|
C, mm
|
237
|
289
|
289
|
289
|
|
D, mm
|
192
|
140
|
140
|
140
|
|
E, mm
|
232
|
232
|
305
|
305
|
|
F, mm
|
83
|
83
|
122
|
122
|
|
H, mm
|
144
|
144
|
68
|
68
|
|
J, mm
|
267
|
267
|
191
|
191
|
|
K, mm
|
102
|
102
|
165
|
165
|
|
L, mm
|
16
|
16
|
16
|
16
|
|
M, mm
|
68
|
68
|
0
|
0
|
|
N, mm
|
92
|
92
|
98
|
98
|
|
P, mm
|
10
|
10
|
11
|
11
|
|
S, mm
|
405
|
405
|
451
|
451
|
|
T, mm
|
360
|
360
|
360
|
360
|
|
U, mm
|
1905
|
1905
|
1905
|
1905
|
|
V, mm
|
57
|
57
|
57
|
57
|
|
W, mm
|
41
|
41
|
41
|
41
|
|
X, mm
|
52
|
52
|
52
|
52
|

氣動葫蘆是什么,和其他設備相比有什么優點
相信從事需要用到起重設備領域工作的朋友們對各種葫蘆不會感到陌生吧。這里的各種葫蘆指的是輕型起重設備。根據動力方式,現在一般可以分為氣動葫蘆和電動葫蘆兩種。這兩種設備各有優缺點,下面我們就來具體看看這類設備的優缺點,和其他類型的輕型起重設備相比,它又有什么優勢。
在介紹氣動葫蘆的特點之前,我要先介紹一下它的工作原理。這種設備主要由起吊機構,行走機構,配氣機構組成。這些機構下面又有若干零部件。比如說起吊機構包括氣動馬達,減速器,制動器,起重鏈條,吊鉤總成河主控閥。起吊機構主要控制起吊作業,而行走機構則是用來實現重物的水平移動,配氣系統則負責作為動力源,實現氣動的效果。
氣動葫蘆的優點有很多,包括定位精準,速度可調,操作簡便,安全可靠,動力環保,搬運方便,以及還有過載保護和斷氣保護。它一般可以定位精確到厘米級別,上升下降速度快,是電動葫蘆的三倍,更別提手拉葫蘆了。操作一般通過手柄拉桿進行,也可以遙控操作。這種設備外形小巧精美,重量輕,安裝運輸都十分方便。在動力中斷以及超載的時候,過載保護和斷氣保護可以有效保證起重作業的安全。
正是由于氣動葫蘆眾多的優點和安全可靠的性能,正在應用到各行各業中。它的一大特點是其防爆性能。在一些高溫,高粉塵,高爆的惡劣環境中進行起重作業,一般都是用這種設備進行作業。一些國家甚至規定,在高危行業必須只能使用此類設備,由此可見它性能之優良。
以上就是對氣動葫蘆的一些介紹。可以看到,它的性能非常優良,可以勝任各種惡劣環境的起重作業。作為一種輕型起重設備,其更是集多種優點于一身。外形小巧,操作簡便,安全可靠。有起重作業需要的朋友,不妨尋找一些相關商家多做了解,以確定是否購買。