Global King 雙梁鋼絲繩葫蘆 (Top Running)
額定載荷 5000 - 20000 公斤
Yale Global King鋼絲繩葫蘆專為采用公制標準的國際市場用戶量身定做。
公司具有 140 年的起重機生產經驗,同時結合*新的生產技術與材料工藝,嚴格的設計標準并采用高品質的產品部件,才能創造出這款行業一流的鋼絲繩葫蘆。
Global King 葫蘆是目前市場上*具有競爭力的鋼絲繩葫蘆之一。它有著業內領先的安全產品特性、靈活的配置和大量產品選項,包括更長的起升高度、特殊的控制選項以及面對危險環境的防爆型號。因著這些特點,可以保證即使在繁重的工作環境下,Global King 葫蘆具有使用簡便,并且使用壽命長的特點。
雙梁鋼絲繩葫蘆特性:
· 1、鋼絲繩卷筒
采用高質鋼材制造而成的鋼絲繩卷筒采用深溝槽設計,同時還配有導繩機構,可以有效地幫助鋼絲繩的準確排繩,確保操作安全的同時延長鋼絲繩及卷筒的使用壽命。鋼絲繩頂端配三顆高強度金屬鎖扣鎖緊,并且當處于吊鉤低位時,頂端仍留有三卷余量,保證操作的安全性。
· 2、高強度 DC 盤式制動器
高強度的 DC 盤式制動器制動性能可達到標準扭矩的2倍,從而實現快速、主動的剎車及抱緊功能。
· 3、葫蘆起升電機
雙速葫蘆起升電機,高低速比為4:1,可以滿足您低速運行準確定位及高速運行快速起降的全面工作要求。電機的設計和制造為起重行業所量身定制。
· 4、齒輪傳動機構
· 油浸式齒輪傳動機構采用三級降速設計,精加工的齒輪組在防滲漏的鑄鋁齒輪箱中運行。
5、低凈空
· 低凈空設計保證*大的吊鉤行走距離。
6、限位器 (未在圖中顯示)
· 鋼絲繩葫蘆標配上下端旋片式電路限位器,另外可選配觸碰式頂端限位器。同時機器標配有過載保護裝置,保障操作安全性。
7、可旋轉吊鉤
· 小車標配有可旋轉吊鉤,吊鉤可在水平360度、垂直180度的范圍內自由旋轉,方便負重的裝卸。
小車特性:
· 1、電子化葫蘆動作監測卡
選配PulseTM 監測卡,可記錄運行的重要信息,有助于故障排除,減少維護成本。另有選配 Pulse 監測電腦接口套裝,可方便地在電腦中讀取數據。
· 2、小車
小車機構可以方便地調節以適應不同的軌道寬度。標配小車防墜落特性。標配小車防撞塊。
· 3、葫蘆和小車控制箱
鋼絲繩葫蘆主機及小車控制部件封閉控制箱具有 NEMA 4/12 的防護等級。控制部分可以實現的主要功能包括:鋼絲繩葫蘆動作監測功能(可選),電機過熱保護功能以及鋼絲繩葫蘆過載保護功能等。電氣部件方便更換。葫蘆起升電機及小車可以雙速調節,以便平滑加速及負載準確定位。
· 4、小車車輪
高強度的鋼制小車車輪能夠平滑地運行在符合 ASCE 標準或其他方形鋼梁上。小車兩側各有一驅動輪帶動*大負載平穩同步運行。5 噸小車是由單一電機通過齒輪減速驅動兩側車輪同步運行。其他噸位的小車都含有雙驅動。
技術參數
Global King 雙梁 Top-Running & Deck-Mount 鋼絲繩葫蘆 技術參數:
|
技術指標
|
Global King Top-Running & Deck-Mount 雙梁鋼絲繩葫蘆
|
|
框架尺寸
|
B
|
C
|
D
|
|
額定載荷
|
5t
|
10t
|
15t
|
16t
|
20t
|
|
工作級別
|
FEM 2m
相當于 ASME H-4 duty
|
|
鋼絲繩
|
四繩每列 9mm
|
四繩每列 12mm
|
四繩每列 15mm
|
六繩每列 15mm
|
六繩每列 15mm
|
|
導繩器
|
標配
|
|
下吊鉤組
|
360° 旋轉銷安裝配安全搭扣
|
360° 旋轉固定安裝配安全搭扣
|
|
齒輪組
|
油浸式斜齒輪
|
|
起重電機 (TEFC, IP54)
|
雙速鼠籠電機,4:1 速比;F級絕緣等級,帶 TAS, 符合 FEM S3 持續接電率
|
|
葫蘆制動
|
直流盤式制動器
|
|
葫蘆控制
|
電磁接觸器——標配雙速控制
|
|
上下限位
|
NEMA 4 上/下控制電路
|
|
缺相檢測及保護
|
標配
|
|
主電路熔斷保護
|
標配
|
|
電機過熱保護
|
標配電機熱敏開關
|
|
葫蘆運行監控器
|
可選
|
|
過載保護裝置
|
標配 NEMA 4/12
|
|
小車齒輪箱
|
*蝸輪蝸桿式
|
*斜齒輪傳動方式
|
|
小車電機
|
*單速 VFC, 帶TAS, 連續工作 30 分鐘,F級防護
|
*單速VFC, 帶TAS, S3, 連續工作 24 分鐘,F級防護
|
|
小車制動
|
*可選
|
標配 50% 力矩的交流盤式制動器
|
|
小車控制
|
標配兩檔可變頻率控制
|
|
小車車輪
|
*203mm 雙踏面設計,球墨鑄鐵 @187 - 255 BHN
|
* ø160mm 雙踏面設計
@ 300 - 350 BHN
|
*ø200mm 雙踏面設計
@ 300 - 350 BHN
|
|
小車防撞
|
*標配
|
|
軸承
|
全部抗摩擦
|
|
控制箱
|
NEMA 4/12
|
* 不適用于 Deck-Mount 型號。
| |
葫蘆選項
|
小車選項
|
| |
* 主回路接觸器
|
* 小車變頻控制
|
| |
* 戶外應用
|
* 小車制動器
|
| |
* 可選主副鉤型號
|
|
| |
* 手柄控制
|
|
| |
* 起升變頻控制
|
|
| |
* 制動器手動釋放
|
|
| |
* 重錘限位
|
|
| |
* 上/下限位,四點限位
|
|
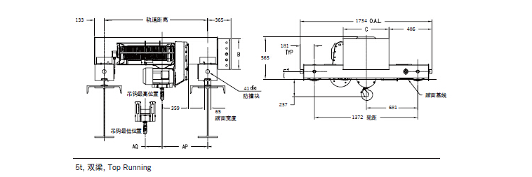
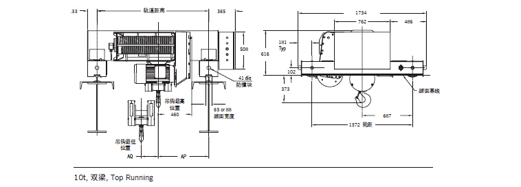
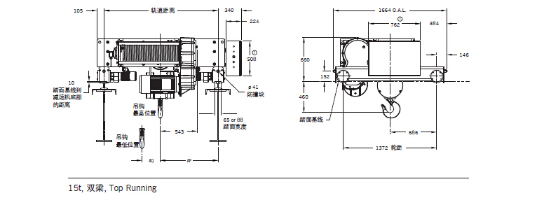
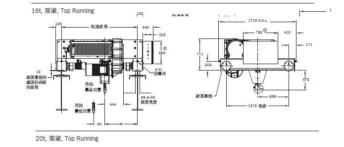
Global King 雙梁鋼絲繩葫蘆 Top Running 技術參數:
|
框架尺寸
|
鋼絲繩葫蘆
|
小車
|
凈重
kg
|
|
額定載荷
t
|
起升高度
ft
|
起升高度
m
|
標準軌道距離
mm
|
起升速度
m/min
|
電機功率
kW
|
鋼絲繩列數
|
變頻小車行走速度 m/min
|
小車馬達功率
kW
|
|
B
|
5
|
25
|
7.6
|
1400
|
5.0/1.2
|
4.6/1.2
|
4
|
20/5
|
0.44 x 2
|
710
|
|
40
|
12.2
|
1700
|
760
|
|
60
|
18.3
|
2000
|
840
|
|
80
|
24.4
|
2000
|
1230
|
|
C
|
10
|
25
|
7.6
|
1700
|
5.0/1.2
|
9.3/2.3
|
4
|
20/5
|
0.44 x 2
|
1100
|
|
40
|
12.2
|
2000
|
1250
|
|
60
|
18.3
|
2400
|
1480
|
|
D
|
15
|
25
|
7.6
|
1700
|
4.5/1.1
|
12.5/3.1
|
4
|
20/5
|
0.96 x 2
|
1510
|
|
40
|
12.2
|
2000
|
1600
|
|
60
|
18.3
|
2400
|
1780
|
|
16
|
26' - 8"
|
8.1
|
2000
|
3.0/0.75
|
12.5/3.1
|
6
|
20/5
|
0.96 x 2
|
1750
|
|
40
|
12.2
|
2400
|
2050
|
|
20
|
26' - 8"
|
8.1
|
2000
|
3.0/0.75
|
12.5/3.1
|
6
|
20/5
|
0.96 x 2
|
1750
|
|
40
|
12.2
|
2400
|
2050
|
* 以上所有數據都基于 380V-3Ph-50Hz 的情況下。
** 軌道距離必須在下單時說明。
*** 變頻小車行走速度可選其他速度,具體可咨詢銷售,*高可達 45 m/min
外形尺寸
Global King 雙梁鋼絲繩葫蘆 Top Running 外形尺寸:
|
框架尺寸
|
額定載荷
t
|
起升高度
ft
|
起升高度
m
|
標準軌道距離
mm
|
AP
|
AQ
|
|
B
|
5
|
25
|
7.6
|
1400
|
605
|
140
|
|
40
|
12.2
|
1700
|
574
|
225
|
|
60
|
18.3
|
2000
|
550
|
300
|
|
80
|
24.4
|
2000
|
875
|
232
|
|
C
|
10
|
25
|
7.6
|
1700
|
765
|
146
|
|
40
|
12.2
|
2000
|
875
|
232
|
|
60
|
18.3
|
2400
|
875
|
347
|
|
D
|
15
|
25
|
7.6
|
1700
|
849
|
167
|
|
40
|
12.2
|
2000
|
881
|
257
|
|
60
|
18.3
|
2400
|
846
|
378
|
|
16
|
26' - 8"
|
8.1
|
2000
|
733
|
171
|
|
40
|
12.2
|
2400
|
750
|
260
|
|
20
|
26' - 8"
|
8.1
|
2000
|
733
|
171
|
|
40
|
12.2
|
2400
|
750
|
260
|




鋼絲繩電動葫蘆如何選購
當前在市場上,銷售的鋼絲繩葫蘆種類較多,而不同的類型,自身的用途,相應的功能,自然會存在一定差異性。對此廣大消費者,在購買的時候,應該要充分明確相關需求,同時應該要綜合性考慮,才能確保選擇適合的葫蘆。那鋼絲繩電動葫蘆如何選購呢?
在選擇葫蘆的時候,首要考慮的問題就是產品基本參數。只有對基本參數有所了解,才能將自身的需求告訴給生產廠家或者告訴給經銷商。而對于廠家來說,可以結合消費者的需求,推薦較適合的葫蘆產品,*大程度滿足需求。那么葫蘆基本參數有哪些,主要表現在哪些方面,就是很多消費者較為關心的問題所在。
購買葫蘆要從提升高度考慮,葫蘆的主要作用是起到提升,所以對提升高度將會有著嚴格要求。在進行選購之前,要明確廠房實際高度,進而決定鋼絲繩葫蘆的高度。尤其是常規的提升高度,應該要充分明確。當然如果是在特殊場合下使用的話,那么對用戶來說,應該要結合自身的要求進行相應的設計。
鋼絲繩電動葫蘆如何選購?還應該要充分明確葫蘆提升速度。通常情況下鋼絲繩葫蘆的提升速度,有著明顯的限制,主要可以分為單速和雙速兩種。在日常的使用過程中,如果沒有特殊要求的話,通常會選擇單速產品。當然如果自身的工程要求較高,定位要更加精確的情況下,就應該要選擇雙速產品。相對而言提升速度將會直接決定自身的工作效率,速度越高的話,那么工作效率越高。不同類型的設備,所采用的電機自然會有所不同。因此對于用戶來說,需要結合自身需求來選購。
鋼絲繩電動葫蘆如何選購?由于鋼絲繩葫蘆在各行各業用途非常廣泛,因此所采用的電壓,自然會有所不同。有的是三百六十伏特,有的是二百二十伏特。購買之前,還應該要明確具體安裝方式。不同類型的鋼絲繩電動葫蘆,自身的安裝方式,自然會存在差異性,另外還要明確中心軸距離。
