BD|SENSORS
壓力變送器采用不同的傳感器技術,結合不銹鋼和多種塑料殼體,適用于幾乎所有工業氣體和液體。我們的工業壓力變送器有多種電氣接口和壓力接口可供選擇,可滿足幾乎所有應用需求。

BD SENSORS壓力變送器30.600G是OEM經濟型壓力變送器,陶瓷傳感器,精度:0.5%FSO,BFSL(15FSO IEC 60770),額定量程從0...1.6bar至 0...250bar,應用領域有:機械設備制造,工程機械,移動液壓設備,各種工業應用。
BD SENSORS壓力變送器30.600G的產品特點如下:
陶瓷厚膜傳感器;
精度(根據BFSL):0.5%FSO
額定量程從0...1.6bar至0...250bar
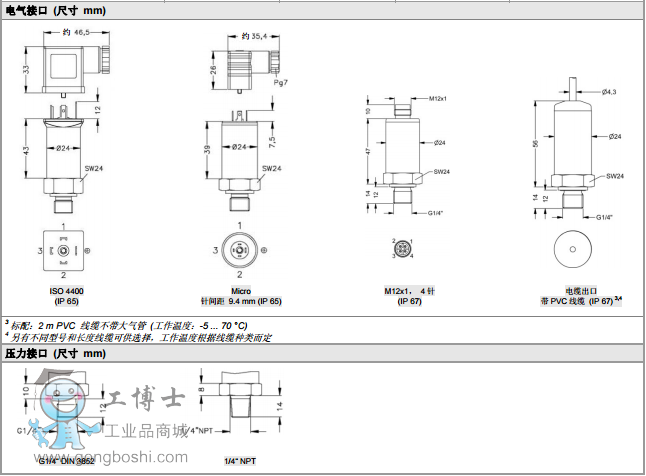
壓力接口:G1/4",1/4"NPT
【產品技術參數】
【訂型選購】

本公司鄭重承諾,凡從我公司定購此品牌產品如收到貨物時發現有假貨仿貨均以10倍金額賠償.