BD|SENSORS 壓力變送器采用不同的傳感器技術,結合不銹鋼和多種塑料殼體,適用于幾乎所有工業氣體和液體。我們的工業壓力變送器有多種電氣接口和壓力接口可供選擇,可滿足幾乎所有應用需求。

OEM標準型壓力變送器BD SENSORS 壓力變送器26.600G,采用陶瓷厚膜傳感器,高精度,主要應用機械設備制造,工程機械,移動液壓設備,各種工業;可選無油脂型,適合氧氣環境應用。
【產品特點】
陶瓷傳感器
耐用性價比高
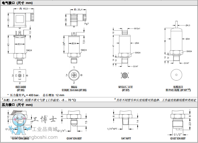
電氣連接
額定量程:從0...1bar至0...400bar
可選:無油脂型,適合氧氣環境應用
【產品技術參數】
![`4X(A[7Z[)}%WLIG]ND8_L5](http://m.aoturen.cn/file/upload/201604/26/15/15-11-44-81-21307.png)
【訂購選型】
本公司鄭重承諾,凡從我公司定購此品牌產品如收到貨物時發現有假貨仿貨均以10倍金額賠償.