鄭重承諾:
專業銷售德國巴魯夫感應式傳感器,接近開關等全系列低壓產品。保證原裝正品,假一罰十,常備現貨。按原廠家標準質保一年,可開百分之17增值稅發票,專業技術團隊解決技術問題,阿里巴巴,淘寶,工博士商城在線支付全線開通。詳情請咨詢魏工:18964551752。謝謝!
1.德國巴魯夫/balluff磁感位移傳感器BES M08EH-PSC40F-S49G關鍵特征
| 尺寸 |
M08x1 |
| 接口 |
電纜, PUR, 5.00 m |
| 輸出功能 |
極性, 常開觸點 (NO) |
| 工作電壓 |
10.0…36.0 V |
| 機械安裝條件 |
齊平 |
| 測量開關距離Sn [mm] |
2.00 mm |
2.德國巴魯夫/balluff磁感位移傳感器BES M08EH-PSC40F-S49G一般特征
| Diagnostic Coverage |
0 % |
| Functional Safety |
No |
| Mission Time |
20 a |
| MTTF (40°C) |
315 a |
| 產品組別 |
感應式傳感器 |
| 短路保護 |
是 |
| 反極性保護 |
是 |
| 防護等級符合IEC 60529 |
IP67 |
| 附加文本 |
規定了可達到的*大開關頻率 (不符合IEC 60947-5-2)
在排除了過載后,傳感器將重新生效。
可齊平安裝:參見開關距離較大的感應式傳感器825357的安裝說明。 |
| 工作電壓顯示 |
否 |
| 功能顯示 |
是 |
| 基本標準 |
IEC 60947-5-2 |
| 開關距離標識 |
■■ |
| 品牌 |
全球化 |
| 許可/一致性 |
CE
cULus
EAC |
3.德國巴魯夫/balluff磁感位移傳感器BES M08EH-PSC40F-S49G電氣特征
| 測量短路電流 |
100 A |
| 測量工作電流Ie |
100 mA |
| 測量工作電壓Ue DC |
24.0 V |
| 測量絕緣電壓Ui |
75 VDC |
| 電氣規格 |
DC,直流電壓 |
| 電壓降,靜態,*大 |
5.0 V |
| 負荷電容,*大 (在Ue下) |
1.000 µF |
| 工作電壓UB,*大,DC [V] |
36.0 V |
| 工作電壓UB,*小,DC [V] |
10.0 V |
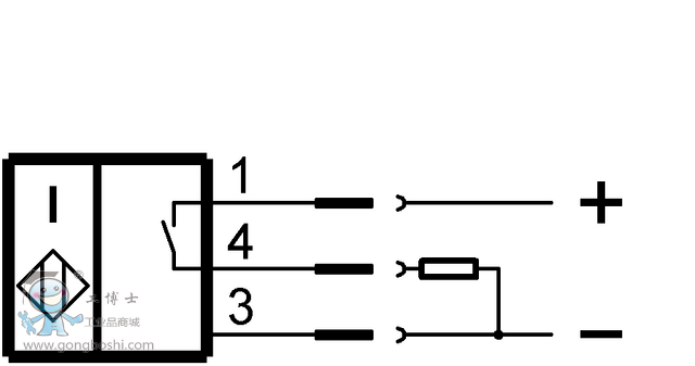
| 開關功能 |
常開觸點 (NO) |
| 開關頻率f,*大 (在Ue下) |
1500 Hz |
| 開關輸出 |
極性 |
| 連接方式 |
電纜 |
| 余波,*大 (Ue的百分比) |
15 % |
| *小工作電流Im |
5 mA |
4.德國巴魯夫/balluff磁感位移傳感器BES M08EH-PSC40F-S49G機械特征
| 安全開關距離Sa |
1.60 mm |
| 表面防護 |
不含鎳涂層 |
| 測量開關距離Sn [mm] |
2.00 mm |
| 導體數 |
2 |
| 導線長度 |
5.00 m |
| 導線截面 |
0.14 mm² |
| 電纜護套材料 |
PUR |
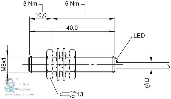
| 電纜直徑D,*大 |
3.0 mm |
| 感應面材料 |
PBT |
| 固定長度 |
40.0 mm |
| 環境溫度Ta,*大 |
70 °C |
| 環境溫度Ta,*小 |
-25 °C |
| 機械安裝條件 |
齊平 |
| 擰緊力矩 |
3 Nm |
| 深度 |
40.0 mm |
| 外殼材料 |
CuZn |
| 真實開關距離Sr |
2.00 mm |
| 直徑d1 |
M08x1 |
5德國巴魯夫/balluff磁感位移傳感器BES M08EH-PSC40F-S49G產品視圖和接線圖

(產品視圖)

(接線圖)