產品型號:23HS(57BYGH 1.8°)
步距角精度---------------------------------±5%
溫升----------------------------80℃ Max.
周圍溫度范圍---------- -20℃~+50℃
絕緣電阻-----------100MΩ Min.50V DC
絕緣強度-----------------500V AC 1minute
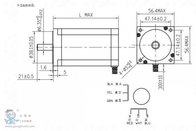
| 型號 |
機身長 |
23HS4XXX
23HS5XXX
23HS6XXX
23HS7XXX
23HS8XXX
23HS8XXX-C
23HS9XXX
23HS1XXX
23HS2XXX |
41
51
56
64
76
80
84
100
112 |


