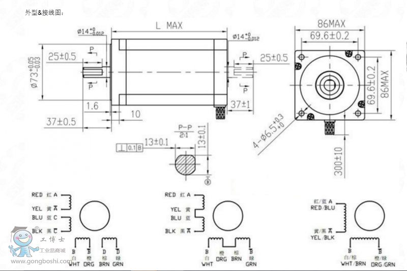
產品型號:34HM(86BYGHM 0.9°)
步距角精度---------------------------------±5%
溫升----------------------------80℃ Max.
周圍溫度范圍---------- -20℃~+50℃
絕緣電阻-----------100MΩ Min.50V DC
絕緣強度-----------------500V AC 1minute
| 型號 |
機身長 |
34HM6XXX
34HM7XXX
34HM9XXX
34HM1XXX
34HM2XXX
34HM5XXX |
66mm
78mm
98mm
116mm
126mm
151mm
|

