GSZ2-Y系列磁保持直流接觸器
一、用途
GSZ2-Y系列磁保持直流接觸器主要用于直流工作電壓至48V,工作電流分別至100A、200A、300、400A的電路中,供接通或分斷電路。產品主要用于通訊電源、不間斷電源系統,也可用于其他使用直流電源的場合。
二、型號及含義
三、產品特點
■ 動作機構為直動式,觸頭為橋式雙斷點
■ 主電路接線時需配圓型或窺口型冷壓端子
■ 可加裝輔助觸頭,輔助觸頭型號為F4-11
■ 產品為雙穩態,觸頭在閉合或斷開位置均靠永磁體吸持,吸持力大,產品抗沖擊好
■ 線圈在需要動作時瞬間通電,正常保持時不需通電,線圈節能且耐用
■ 線圈A1端子通控制電源正極時觸頭閉合,A2端子通控制電源正極時觸頭斷開
四、工作條件和安裝條件
■ 環境溫度:-25~+70℃,24h平均值不超過+40℃;
n 溫度為+40°C時,空氣的相對濕度不超過85%。對于溫度偶爾變化產生的凝露現象,應采取特殊的措施。
n 安裝地點海拔高度超過3000米時,每升高500米降容10%使用,*高不超過4500米。
n 污染等級為“污染等級3”。
五、主要技術參數
產品符合標準GB14048.4及IEC/EN60947-4。
|
規格
參數
|
GSZ2-100Y
|
GSZ2-200Y
|
GSZ2-300Y
|
GSZ2-400Y
|
|
額定絕緣電壓Ui (V)
|
60
|
|
主
電
路
|
約定發熱電流Ith (A)
|
200
|
200
|
400
|
400
|
|
額定工作電壓Ue (V DC)
|
48
|
|
額定工作電流Ie (A)
|
100
|
200
|
300
|
400
|
|
觸頭壓降(mV)
|
通100A時觸頭壓降≤60
|
|
控
制
電
路
|
線圈額定電壓Us (V DC)
|
24
|
48
|
24
|
48
|
24
|
48
|
24
|
48
|
|
20℃額定工作電壓下線圈
*大電流(A DC)
|
1.5
|
0.6
|
1.5
|
0.6
|
1.5
|
0.6
|
1.5
|
0.6
|
|
20℃冷態動作*高電壓(V DC)
|
18
|
36
|
18
|
36
|
18
|
36
|
18
|
36
|
|
線圈工作電壓范圍(40℃)
|
0.85~1.2Us
|
|
線圈允許通電時間(ms)
|
50~60
|
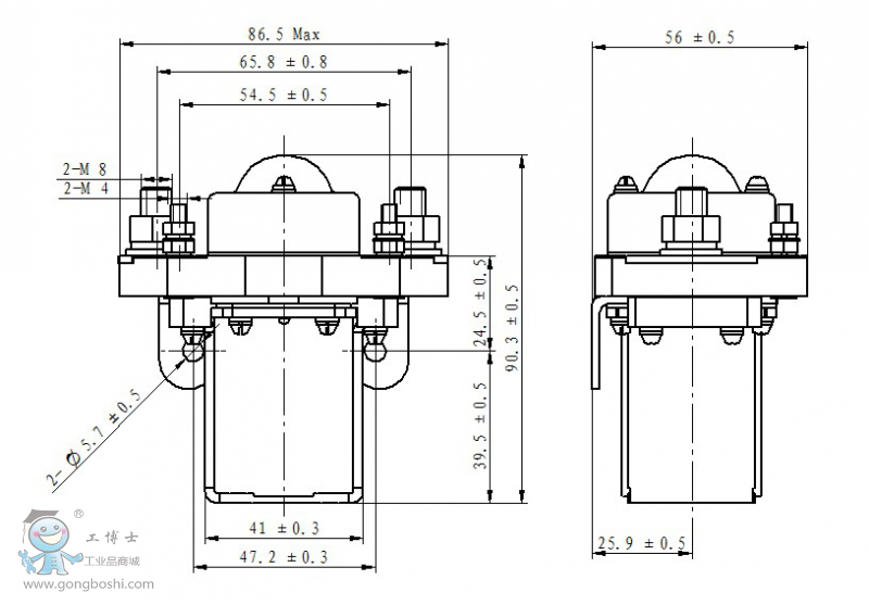
六、外形尺寸與安裝尺寸
GSZ2-100Y、200Y外形尺寸與安裝尺寸

GSZ2-100Y+F4-11、GSZ2-200Y+F4-11外形尺寸與安裝尺寸

GSZ2-300Y、400Y外形尺寸與安裝尺寸

GSZ2-300Y+F4-11、GSZ2-400Y+F4-11外形尺寸與安裝尺寸

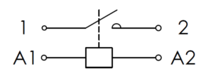
七、接線圖
GSZ2-100Y、200Y、300Y、400Y接線圖
GSZ2-100Y+F4-11、200Y+F4-11、300Y+F4-11、400Y+F4-11接線圖

注:當線圈的A1端子通電源正極,A2端子通電源負極時,觸頭的狀態為閉合;
當線圈的A1端子通電源負極,A2端子通電源正極時,觸頭的狀態為斷開;
線圈通電時間為50~60 ms。
八、訂貨須知
訂貨時需注明以下內容:
n 接觸器的全型號及名稱;
n 控制線圈電壓規格;
n 安裝座類型;
n 是否加F4-11輔助觸頭;
n 訂購數量。
例如:
1、GSZ2-200Y/DC48V,磁保持直流接觸器,100臺。表示DC-1負載下額定工作電流為200A,磁保持直流接觸器,線圈電壓為DC48V,訂貨數量為100臺。
2、GSZ2-200Y/DC48V+F4-11,磁保持直流接觸器,100臺。表示DC-1負載下額定工作電流為200A,磁保持直流接觸器,線圈電壓為DC48V,加1開1閉輔助觸頭,訂貨數量為100臺。
備注:特殊電壓規格產品,如用戶需要可特殊訂貨。