| |
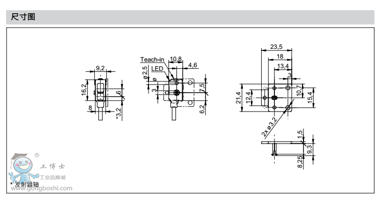
Baumer/堡盟FHDK 07N6901 - 漫反射式傳感器 背景抑制型 |
 點擊圖片查看原圖
|
|
| 品牌: |
Baumer/堡盟 |
| 類型: |
背景抑制型 |
| 輸出功能: |
亮通 / 暗通 功能 |
| 連接方式: |
電纜底部側面, 2 m |
| 單價: |
面議 |
| 所在地: |
上海 |
| 有效期至: |
長期有效 |
| 最后更新: |
2023-07-26 18:14 |
| 瀏覽次數: |
543 |
 |
|
|
|
- 堡盟電子服務商
-
[VIP第8年] 指數:9
-
通過認證 [誠信檔案]
-
聯系人黃靖(先生) 銷售工程師
- 會員 [當前離線] [加為商友] [發送信件]
- 郵件hj@gongboshi.com
- 電話17612149434
- 手機17612149434(微信同號)
- 地址上海市寶山區富聯一路98弄6號
-
|
|