| |
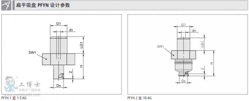
德國施邁茨Schmalz 真空吸盤 扁平吸盤(圓形)PFYN 10 M5-IG 產品|技術服務商 |
 點擊圖片查看原圖
|
|
| 品牌: |
德國施邁茨 |
| 吸力【N】*: |
4.00 |
| 內部體積【cm*cm*cm】: |
0.070 |
| 接頭系列: |
N 004 |
| 單價: |
面議 |
| 所在地: |
上海 |
| 有效期至: |
長期有效 |
| 最后更新: |
2019-07-01 11:22 |
| 瀏覽次數: |
265 |
 |
|
|
|
- 施邁茨-服務商
-
[VIP第6年] 指數:4
-
通過認證 [誠信檔案]
-
聯系人鄭經理(先生)
- 會員 [當前離線] [加為商友] [發送信件]
- 郵件3541354922@qq.com
- 電話18717873382
- 手機18717873382(微信同號)
- 地址上海市寶山區富聯一路98弄6號
-
|
|