| |
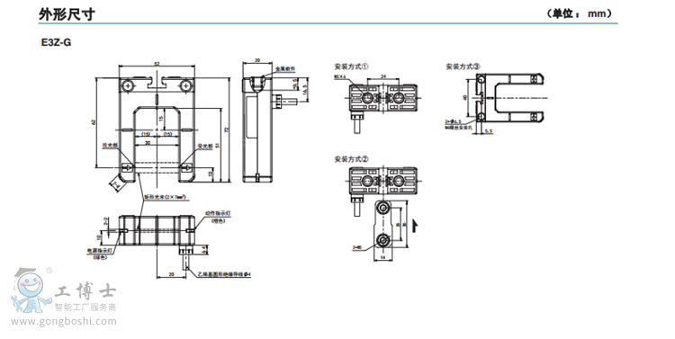
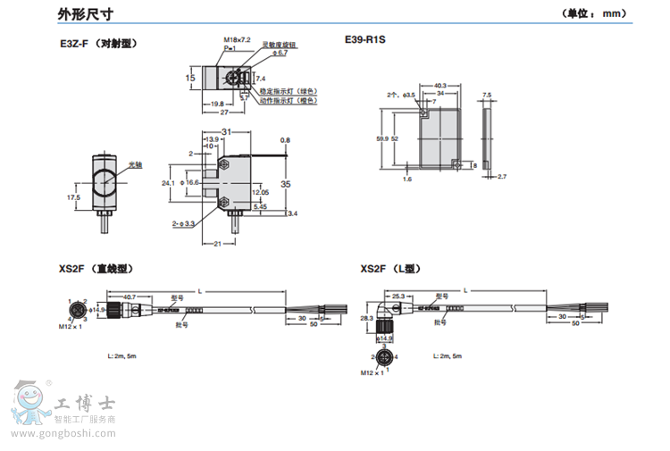
歐姆龍光電傳感器E3Z-T61 0.5M BY OMC NPN輸出 檢測距離15M 對射0.5 |
 點擊圖片查看原圖
|
|
| 品牌: |
OMRON/歐姆龍 |
| 無: |
無 |
| 單價: |
面議 |
| 所在地: |
北京 |
| 有效期至: |
長期有效 |
| 最后更新: |
2018-04-16 17:44 |
| 瀏覽次數: |
306 |
 |
|
|
|
- 歐姆龍工業服務商
-
[VIP第8年] 指數:4
-
通過認證 [誠信檔案]
-
聯系人楊晶晶(女士) 經理
- 會員 [當前離線] [加為商友] [發送信件]
- 郵件yjj@chgude.com
- 電話18021052515
- 手機18021052515
- 地址上海市寶山區富聯一路98弄6號
-
|
|