Piab 派亞博(瑞典)全系真空吸盤、真空發生器,現貨在售!
本公司提供專業選型、樣品測試以及技術支持等全方位服務!
詳情咨詢電話:152-2161-3940 QQ:2412290771
概述
| 產品編號(備選) |
01.10.456 |
| 物料 |
CuZn, PA, PP, SS, Steel, Ceramic, Al, 丁腈橡膠 |
| Noise level |
66 – 68 dBA |
| Temperature |
-10 – 80 °C |
| Weight |
390 g |
性能
| Feed pressure |
0.25 – 0.55 MPa |
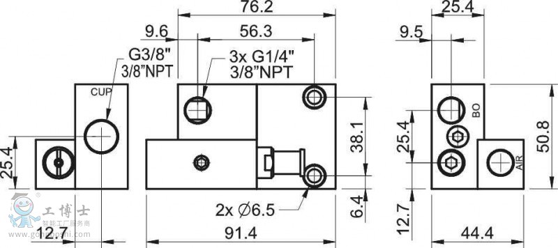
外形尺寸
