Piab(瑞典) 全系真空吸盤和真空發生器 現貨在售!
提供專業選型、樣品測試以及技術支持等全方位服務!
詳情咨詢電話:152-2161-3940 QQ:2412290771
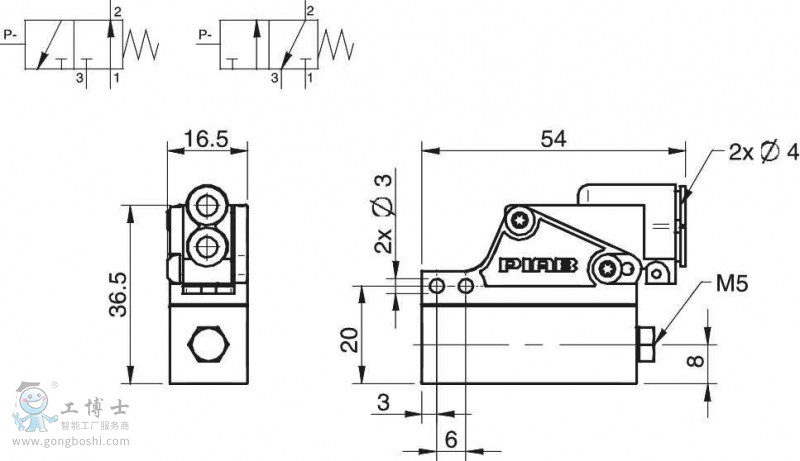
概述
| 物料 |
CuZn, PA, POM, SS, Al, 丁腈橡膠 |
| Temperature |
-10 – 60 °C |
| Weight |
39 g |
性能
| *大進氣壓力 |
0.6 MPa |
| Feed pressure, optimum |
0.15 – 0.8 MPa |
信號功能
| 遲滯 |
12 kPa |
| Signal range |
25 – 35 -kPa |
