產品說明:
Topydic系列標準軸套型增量編碼器EC50P系列產品采用雙軸承結構設計, 壓鑄外殼封裝,具有良好的抗機械損傷性能,可廣泛應用于各類行業現場。產品 采用不銹鋼通孔軸設計,*大軸徑Ф15mm,在軸上能承受較高的徑向和軸向負 荷,可滿足不同行業現場應用需求。同時采用寬電壓范圍供電設計,具備反接保 護和短路保護,有效降低安裝錯誤對編碼器造成的影響。
產品特點:
♦ 分度可達5000脈沖/轉,*高輸出頻率可達300kHz
♦φ6~φ1 5mm寬軸徑范圍選擇,適應各類現場應用需求
♦軸套型安裝,金屬壓鑄外殼,堅固緊湊
♦-40~+85°C工作溫度范圍,IP67防護等級,滿足戶外應用需求1產品厚度*大46.3mm,適應安裝空間受限的現場使用
♦多種信號輸出接口,滿足不同上位機信號采集要求
♦ 后端蓋具備 電源指示燈,方便現場供電準確性
♦線纜輸出、M12接插件和M23接插件等輸出方式供客戶選擇
♦具備反接保護和短路保護,確保使用安全
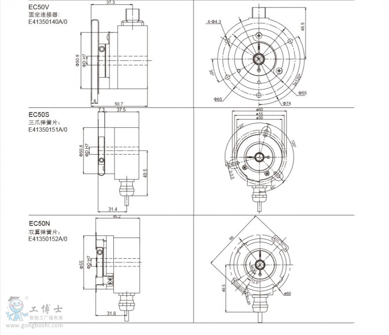
機械參數:

如需了解更多,請點擊
http://elco-holding.gongboshi.com/