負載:20Kg
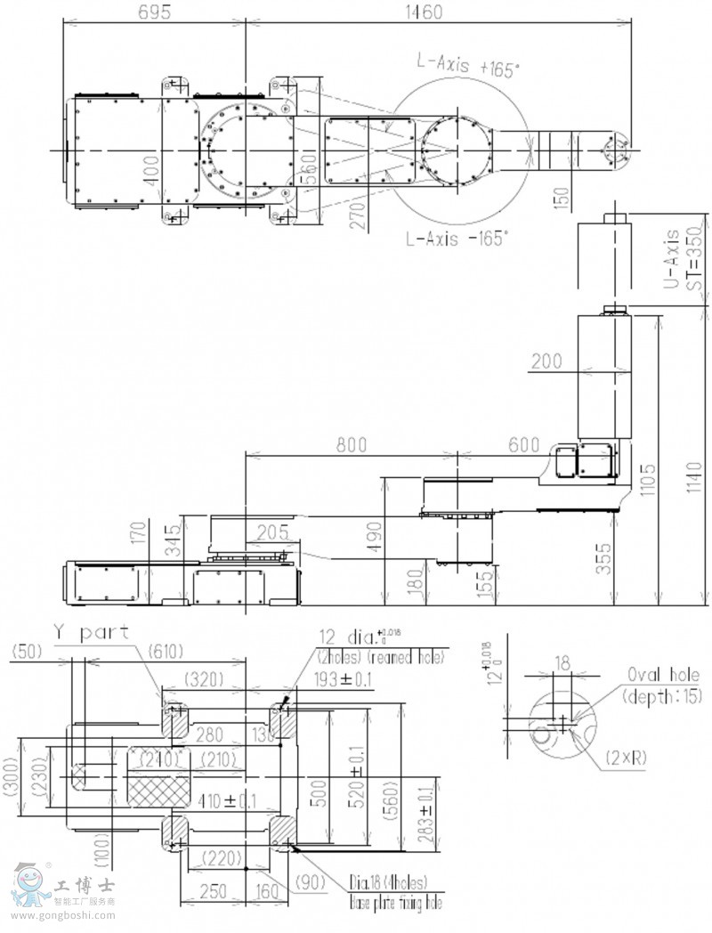
動態范圍:2778mm
控制柜:NX100
用途:搬運、噴涂
特點:噴涂用管線類可內置于中空細長手臂內,避免與工件之間的碰撞,適合內板噴涂。;
手臂上可搭載CCV,齒輪泵等配置;
內壓室可內置電磁閥和電氣壓閥,從而提高噴涂機器人的應答性。
| 機器人型號 |
EPX2800 |
| 適用控制柜 |
NX100 |
| 設置 |
F |
| 自由度 |
6 |
| 可搬質量 |
20kg |
| 垂直伸長度 |
4582mm |
| 水平伸長度 |
2778mm |
| 重復定位精度*2 |
±0.5mm |
| 動作范圍 |
S軸(旋轉) |
-150° ~ +150° |
| L軸(下臂) |
-45° ~ +120° |
| U軸(上臂) |
-85° ~ +90° |
| R軸(手腕旋轉) |
-360° ~ +360° |
| B軸(手腕擺動) |
-360° ~ +360° |
| T軸(手腕回轉) |
-360° ~ +360° |
| *大速度 |
S軸(旋轉) |
150°/s |
| L軸(下臂) |
124°/s |
| U軸(上臂) |
155°/s |
| R軸(手腕旋轉) |
360°/s |
| B軸(手腕擺動) |
360°/s |
| T軸(手腕回轉) |
360°/s |
| 容許力矩 |
R軸(手腕旋轉) |
77.4N.m |
| B軸(手腕擺動) |
49.9N.m |
| T軸(手腕回轉) |
19.6N.m |
容許慣性力矩
(GD2/4) |
R軸(手腕旋轉) |
2.45kg.m2 |
| B軸(手腕擺動) |
1.20kg.m2 |
| T軸(手腕回轉) |
0.20kg.m2 |
| 本體質量 |
820kg |
| 電源容量*3 |
5.0kVA |
*1:F=置地式,W=掛壁式,C=倒掛式,S=支架式(掛壁式時,S軸的動作會有限制,請注意。)
*2:JIS B 8432為基準。
*3:因用途,動作模式而異。
*4:但是,在+5°~+10°的動作范圍內,R軸的動作范圍會有-260°~-65°,+60°~+260°的限制。
*5:但是,在-145°~-20°,+215°~+260°的動作范圍內,B軸的動作范圍會有-195°~+15°的限制。
*6:-40°~+180°(S軸:-90°~+90°)
-40°~+120°(S軸:+90°~+120°)
-40°~+120°(S軸:-90°~-90°)
