Samson薩姆森3731-5型電動氣動除塵器
Safety instructions and measures
Intended use
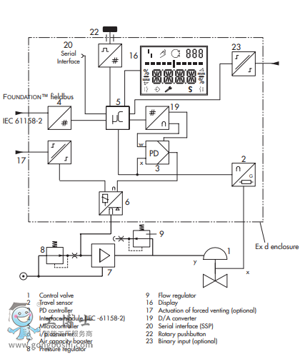
SAMSON's Type 3731-5 Positioner is mounted on pneumatic control valves and is used toassign the valve position to the control signal. The device is designed to operate under exact-ly defined conditions (e.g. operating pressure, temperature). Therefore, operators must ensure that the positioner is only used in applications where the operating conditions corre-spond to the technical data. In case operators intend to use the positioner in other applica-tions or conditions than specified, contact SAMSON.
SAMSON does not assume any liability for damage resulting from the failure to use the de-vice for its intended purpose or for damage caused by external forces or any other externalfactors.

了解詳情請點(diǎn)擊:
Samson薩姆森