| |
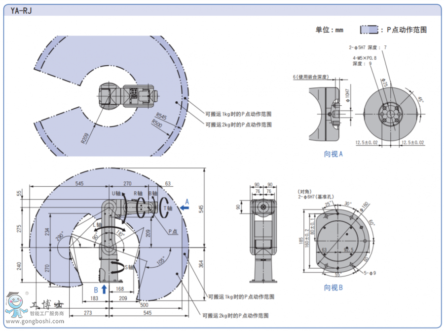
雅馬哈機器人 YA-RJ 垂直多關節6軸機器人 |
 點擊圖片查看原圖
|
|
| 品牌: |
雅馬哈 |
| 型號: |
YA-RJ |
| 負載: |
2KG |
| 臂展: |
545MM |
| 單價: |
面議 |
| 所在地: |
上海 |
| 有效期至: |
長期有效 |
| 最后更新: |
2020-06-29 11:36 |
| 瀏覽次數: |
200 |
 |
|
|
|
- 雅馬哈機器人服務經銷商
-
[VIP第6年] 指數:1
-
聯系人王青慧(女士) 銷售工程師
- 會員 [當前離線] [加為商友] [發送信件]
- 郵件wqh@gongboshi.com
- 電話18616260662
- 手機18616260662
- 地址上海市寶山區富聯一路98弄6號
-
|
|