| |
OTC變位機|1PC500/1000|OTC機器人|OTC焊接機器人_代理_官網|OTC焊機_焊槍 |
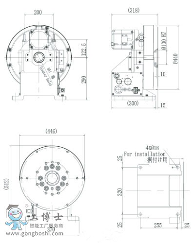
 點擊圖片查看原圖
|
|
| 品牌: |
OTC |
| 型號: |
1PC500/1000 |
| 品牌: |
OTC |
| 類型: |
變位機 |
| 單價: |
面議 |
| 所在地: |
上海 |
| 有效期至: |
長期有效 |
| 最后更新: |
2023-06-05 09:38 |
| 瀏覽次數: |
477 |
 |
|
|
|
- OTC機器人系統集成商
-
[VIP第6年] 指數:4
-
通過認證 [誠信檔案]
-
聯系人劉經理(女士) 銷售經理
- 會員 [當前離線] [加為商友] [發送信件]
- 郵件elaine.liu@gongboshi.com
- 電話18684910472
- 手機18684910472(微信同號)
- 地址上海市寶山區富聯一路98弄6號
-
|
|