| |
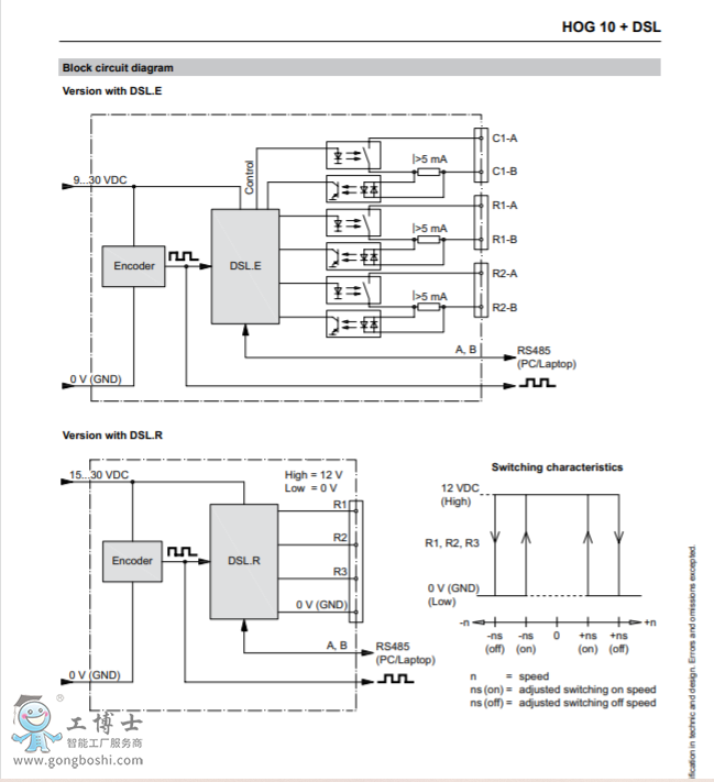
Baumer 堡盟HOG10 DN 2500 I LR 16H7 + DSL.E運動控制傳感器開增票 |
 點擊圖片查看原圖
|
|
| 品牌: |
堡盟 |
| 型號: |
HOG10 DN 2500 I LR 16H7 + DSL.E |
| 品牌: |
堡盟 |
| 類型: |
增量式編碼器 |
| 單價: |
面議 |
| 所在地: |
上海 |
| 有效期至: |
長期有效 |
| 最后更新: |
2023-09-21 18:58 |
| 瀏覽次數: |
584 |
 |
|
|
|
- 堡盟傳感器
-
[VIP第7年] 指數:4
-
通過認證 [誠信檔案]
-
聯系人黃靖(先生) 銷售經理
- 會員 [當前離線] [加為商友] [發送信件]
- 郵件2393360294@qq.com
- 電話17612149434
- 手機17612149434(微信同號)
- 地址上海市寶山區富聯一路98弄6號
-
|
|