工博士機器人技術有限公司致力于為您提供ABB、庫卡KUKA、安川YASKAWA、發那科FANUC、歐地希OTC、川崎Kawasaki、遨博AUBO、現代HYUNDAI、電裝DENSO、歐姆龍OMRON、愛普生EPSON等進口機器人銷售、項目集成、機器人代理、機器人配件、機器人售后維保、機器人培訓一站式服務等優質服務。!
地址:上海市嘉定區南翔鎮眾仁路399號B座20層2007-2012號
--------------------------------------------------------------------------------------------------------------
OTC機器人常用型號:
OTC機器人 FD-B6、OTC焊接機器人 FD-B6L、OTC機器人 FD-V8、OTC機器人 FD-V8L、OTC機器人 FD-G3、OTC機器人 FD-S3、OTC機器人 FD-H5、OTC機器人 FD-B4S、OTC機器人 FD-B4LS、OTC機器人 FD-V6S、OTC機器人 FD-V6LS、OTC機器人 FD-V20S、OTC機器人 FD-A20、OTC機器人 FD-V25、OTC機器人 FD-V50、OTC機器人 FD-V80、OTC機器人 FD-V100、OTC機器人 FD-V130、OTC機器人 FD-V166、OTC機器人 FD-V210、OTC機器人 FD-V280L、OTC機器人 FD-V350、OTC機器人 FD-V400L、OTC機器人 FD-V600、OTC機器人 FD-V700等。
OTC焊接機器人常用型號:
OTC焊接機器人 FD-B6、OTC焊接機器人 FD-B6L、OTC焊接機器人 FD-V8、OTC焊接機器人 FD-V8L等。
工博士機器人技術有限公司致力于為您提供:
OTC機器人、OTC焊接機器人、OTC焊接機、OTC變位機、OTC焊接機器人配件、OTC焊接機器人售后、OTC焊接機器人調試安裝、OTC焊接機器人培訓等服務。
OTC氣保焊機常用型號:
OTC氣保焊機 DM350、OTC氣保焊機 DM500、OTC氣保焊機 WB-M350、OTC氣保焊機 WB-M350L、OTC氣保焊機 WB-M500、OTC氣保焊機 WB-P400、OTC氣保焊機 WB-P400L、OTC氣保焊機 WB-P500、OTC氣保焊機 WB-P500L等。
OTC氬弧焊機常用型號:
OTC氬弧焊機 A350P、OTC氬弧焊機 T500P等。
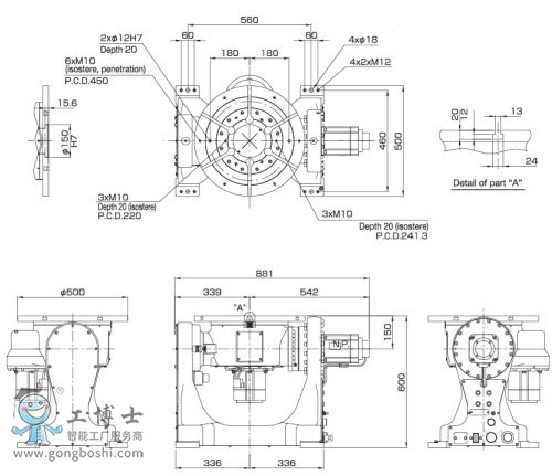
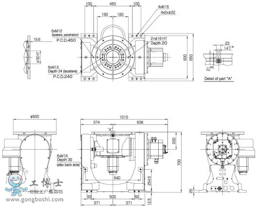
變位機2PF300/500/1000
•從***小的25kg到***大的1000kg,中間一共6種機型;
•可通過機器人的示教盒進行操作,可與機器人同時進行示教工作;
•采用的是AC伺服馬達和無背隙減速機,因此可以得到和機器人同樣的高精度;
•與機器人配套使用時,可以實現協調動作。(協調軟件選購)




詳細參數
|
型號
|
A2PF300-ENN
|
A2PF500-ENN
|
A2PF1000-ENN
|
|
***大搭載重量
|
300kg
|
500kg
|
1000kg
|
|
***大旋轉速度
|
3.1rad/sec[180°/s]
|
2.8rad/sec[162°/s]
|
2.9rad/sec[72°/s]
|
|
***大傾斜速度
|
2.2rad/sec[125°/s]
|
1.5rad/sec[84°/s]
|
1.4rad/sec[82°/s]
|
|
容許***大扭矩
|
294N·m
|
392N·m
|
882N·m
|
|
傾斜軸容許***大扭曲
|
882N·m
|
1347N·m
|
3704N·m
|
|
位置重復精度
|
±0.08mm(在R250的位置)
|
±0.08mm(在R250的位置)
|
±0.08mm(在R250的位置)
|
|
旋轉停止位置
|
任意位置
|
任意位置
|
任意位置
|
|
本 體 重 量
|
260kg
|
260kg
|
470kg
|
更多詳情:OTC焊接機器人服務商