菲尼克斯電氣用于多種安全功能的安全繼電器
安全繼電器可靠監控設備或系統的功能安全。
如需急停、光柵、安全門或雙手控制等安全功能,
可選擇成熟的PSRclassic標準型或寬度僅6 mm和12 mm的PSRmini超薄型。
或者,也可將兩種型號組合,提高應用的安全性。
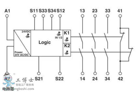
安全繼電器PSR-SCP-24UC/CE1/3X1/1X2/B - 1046360
用于急停和安全門監控的安全繼電器,
滿足EN ISO 13849中SIL 3,4類/PL e級的要求,
單通道或雙通道操作,3個啟動電流通路,
額定輸入電壓為24 V AC/DC,插拔式螺釘接線端子
電路圖:
