菲尼克斯電氣用于多種安全功能的安全繼電器
安全繼電器可靠監控設備或系統的功能安全。
如需急停、光柵、安全門或雙手控制等安全功能,
可選擇成熟的PSRclassic標準型或寬度僅6 mm和12 mm的PSRmini超薄型。
或者,也可將兩種型號組合,提高應用的安全性。
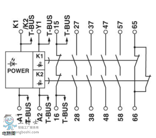
擴展模塊 - PSR-SPP- 24DC/URD3/4X1/2X2 - 2981525
帶TBUS接口的單通道觸點擴展模塊,
4個 常開觸點,1個 常閉觸點,1個 反饋回路,
在0.5秒 ... 30 秒之間可調的關斷延遲,
符合EN ISO 13849標準的Cat. 3、PL e的要求,
寬度:22.5 mm,可插拔的直插式端子
電路圖:
