菲尼克斯電氣用于多種安全功能的安全繼電器
安全繼電器可靠監控設備或系統的功能安全。
如需急停、光柵、安全門或雙手控制等安全功能,
可選擇成熟的PSRclassic標準型或寬度僅6 mm和12 mm的PSRmini超薄型。
或者,也可將兩種型號組合,提高應用的安全性。
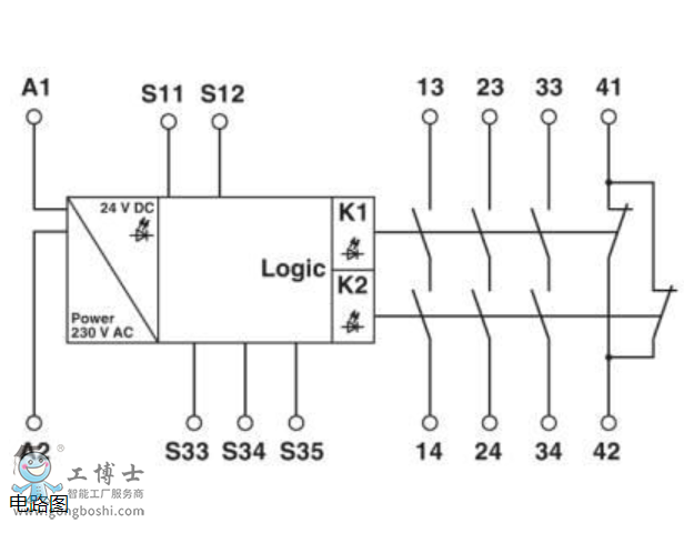
安全繼電器 - PSR-SCP-230AC/ESAM2/3X1/1X2/B - 2901430
用于急停和安全門的安全繼電器,
高達SIL 1,SIL CL 1,1類,PL c,
根據應用可達SIL 3,SIL CL 3,4類,PL e,單通道運行,
3個啟動電流通路,額定輸入電壓為230 V AC/DC,插拔式螺釘接線端子
接線圖:
