廣州數控 GSK RMD08 負載8kg 臂展1433mm
一、
廣州數控產品簡介:
1.廣州數控“勤快的”中國機器人家族新成員——RMD08機器人:由廣州數控自主研發,采用了4軸設計,具有結構簡單、故障率低、占地面積小等優點,與擺臂機械手成本相當,但與六軸多關節工業機器人相比成本大大降低。
2.可輕松完成沖壓上下料、拆垛、碼垛、搬運等任務;
3.為用戶提供快速、安全、靈活、精準、定位等全套作業解決方案。
二、產品特性;
1)運動速度快
運動速度快。沖壓節拍可高達14次/分。
2)運動范圍大
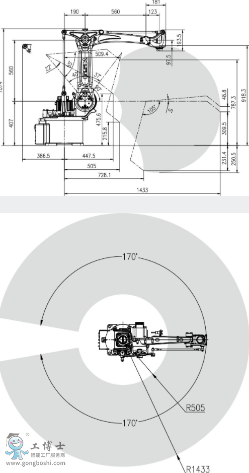
相較運動范圍在500mm以內的傳統擺臂機器人,RMD08的***大工作半徑可達1410mm,可輕松應用于沖床中心距2.5m的沖壓場合。
3)性能穩定、壽命長
一二三軸采用RV減速器,比起擺臂機械手用的諧波減速器,壽命和耐沖擊性可大一倍、穩定性、送料精度更高。
4)通用性能佳
①對設備噸位、沖床高低無要求,可多臺連線。客戶產線自動化升級,無需跟換機床設備,節省投資50%~60%。
②相對于擺臂型機械手,豎直高度的運動范圍更大,沖壓上下料、碼垛、搬運工序。
三、技術參數如下圖:

更多機器人請咨詢:
廣州數控機器人