| |
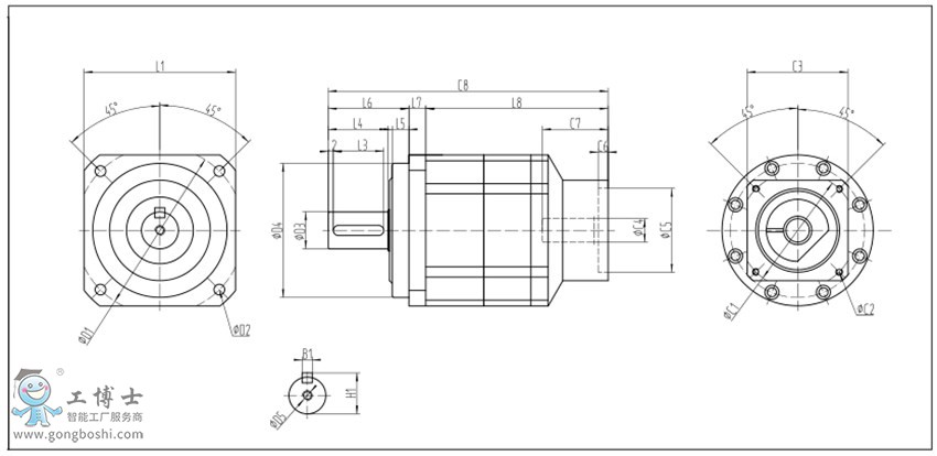
KAB-L1_erefat減速機-行星減速機-斜齒減速機 |
 點擊圖片查看原圖
|
|
| 品牌: |
erefat |
| 產品系列: |
KAB系列 |
| 型號: |
KAB-L1 |
| 單價: |
1.00元/臺 |
| 所在地: |
上海 |
| 有效期至: |
長期有效 |
| 最后更新: |
2021-08-12 09:42 |
| 瀏覽次數: |
281 |
 |
|
|
|
- erefat艾爾發減速機服務商
-
[VIP第4年] 指數:1
-
聯系人曾工(先生) 銷售工程師
- 會員 [當前離線] [加為商友] [發送信件]
- 郵件zcl@gongboshi.com
- 電話185978484269(微信同號)
- 手機18597848426
- 地址上海市寶山區富聯一路98弄6號
-
|
|