PSR-CE 系列經濟款菲尼克斯繼電器
l PSR-CE1 適用于急停、行程開關、安全門鎖、拉繩開關等“常閉觸點型傳感器”監控
l PSR-CE2 適用于安全光幕、激光掃描儀、非接觸式感應開關(OSSD)等“24V DC有源信號輸出傳感器”監控
l PSR-CE3 適用于上述所有傳感器
l PSR-CE2、PSR-CE3 具有帶監控的手動復位功能
l ***高符合 Cat. 4,PL e(EN ISO 13849-1)、SIL 3(EN 61508)、SILCL 3(EN 62061)
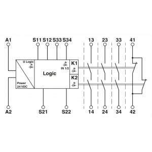
l 輸出為3個常開觸點、1個常閉觸點 模塊寬度22.5mm,可插拔式螺釘端子


菲尼克斯繼電器內含35個安全繼電器的套組,用于急停和安全門監控,安全等級可達EN ISO 13849標準的SIL 3或Cat. 4、PL e,雙通道運行,3個啟用電流路徑,24 V DC額定輸入電壓,插拔式螺釘接線端子

一、電氣特性
|
額定條件下的***大功耗
|
16.44 W (US = 26.4 V,IL² = 72 A²,PTotal max = 2.04 W + 14.4 W)
|
|
額定操作模式
|
100 %符合條件
|
|
額定絕緣電壓
|
250 V
|
|
額定過電壓/絕緣
|
請見章節“絕緣配合”
|
二、特性
|
安全數據
|
|
停止類別
|
0
|
|
安全數據: EN ISO 13849
|
|
分類
|
4
|
|
性能等級(PL)
|
e (5 A DC13;5 A AC15;8760次開關次數/年)
|
|
安全數據: IEC 61508 - 高要求
|
|
設備類型
|
A類
|
|
安全完整性水平(SIL)
|
3
|
|
每小時危險故障可能性(PFHD)
|
5.05 x 10-10 (5 A DC13;5 A AC15;8760次開關次數/年)
|
|
認證測試周期
|
240 月
|
|
使用周期
|
240 月
|
|
安全數據: IEC 61508 - 低要求
|
|
設備類型
|
A類
|
|
安全完整性水平(SIL)
|
3
|
|
所需求的危險故障可能性(PFHAVG)
|
1.37 x 10-4
|
|
認證測試周期
|
66 月
|
專業銷售菲尼克斯交換機 、菲尼克斯繼電器、菲尼克斯浪涌保護器等。歡迎來電咨詢!