功能特性:
• 國際通用全范圍交流輸入
• 保護種類:短路/過負載/過電壓
• 自然風冷
• LED電源指示燈
• 100%滿載老化
• 全部使用1 0 5℃長壽命電解電容
• 能承受3 0 0 V A C浪涌輸入5秒
• 工作溫度高達7 0℃
• 承受5 G振動測試
• 高效率,長壽命和高信賴度
• 3年保固

注:
1. 如未特別說明,所有規格參數均在輸入為230VAC、額定負載、25℃環境溫度下進行量測。
2. 紋波和噪聲測量方法:使用一條12"雙絞線,同時終端要并聯0.1uf和47uf的電容,在20MHz帶寬下進行量測。
3. 精度:包含設定誤差、線性調整率和負載調整率,多路輸出時,建議CH1負載>10%。
4. 線性調整率測量方法: 在額定負載下,從低電壓到高電壓測試。
5. 負載調整率測量方法: 從0%到100%額定負載。
6.電源被視為系統內元件的一部分,需結合終端設備進行電磁兼容相關確認。
EMC測試方法的指引,請參照明緯公司網站http://www.meanwell.cc 上的“EMI測試聲明書”。
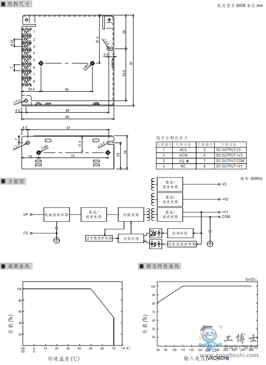
7. 當海拔高度超過2000米(6500英尺)時,無風扇機型環境溫度依每3.5℃/1000m比例下降,有風扇機型環境溫度依每5℃/1000m比例下降。
※ 產品免責聲明:詳情請參閱 http://www.meanwell.cc/serviceDisclaimer.aspx