PSR-CE 系列經濟款菲尼克斯繼電器
l PSR-CE1 適用于急停、行程開關、安全門鎖、拉繩開關等“常閉觸點型傳感器”監控
l PSR-CE2 適用于安全光幕、激光掃描儀、非接觸式感應開關(OSSD)等“24V DC有源信號輸出傳感器”監控
l PSR-CE3 適用于上述所有傳感器
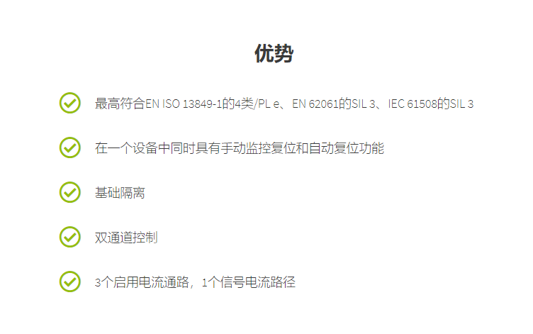
l PSR-CE2、PSR-CE3 具有帶監控的手動復位功能
l ***高符合 Cat. 4,PL e(EN ISO 13849-1)、SIL 3(EN 61508)、SILCL 3(EN 62061)
l 輸出為3個常開觸點、1個常閉觸點
l 模塊寬度22.5mm,可插拔式螺釘端子


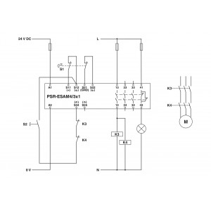
菲尼克斯繼電器,用于急停和安全門監控,安全等級可達EN ISO 13849標準的SIL 3或Cat. 4、PL e,雙通道運行,3個啟用電流路徑,額定輸入電壓:24 V DC,可插拔的直插式接線端子

一、產品屬性
|
產品類型
|
安全繼電器
|
|
應用
|
急停按鈕
|
|
安全門
|
|
機械壽命
|
約 107 開關次數
|
|
繼電器型號
|
帶機械聯鎖觸點的機電式繼電器,符合IEC/EN 61810-3標準
|
二、電氣特性
|
額定條件下的***大功耗
|
16.44 W (US = 26.4 V,IL² = 72 A²,PTotal max = 2.04 W + 14.
4 W)
|
|
額定操作模式
|
100 %符合條件
|
|
額定絕緣電壓
|
250 V
|
|
額定過電壓/絕緣
|
請見章節“絕緣配合”
|
三、特性
|
安全數據
|
|
停止類別
|
0
|
|
安全數據: EN ISO 13849
|
|
分類
|
4
|
|
性能等級(PL)
|
e (5 ADC13;5 AAC15;8760次開關次數/年)
|
|
安全數據: EN 50156
|
|
安全完整性水平(SIL)
|
3
|
|
安全數據: IEC 61508 - 高要求
|
|
設備類型
|
A類
|
|
安全完整性水平(SIL)
|
3
|
|
所需求的危險故障可能性(PFHAVG)
|
5.5 x 10-10 (5 ADC13;5 AAC15;8760次開關次數/年)
|
|
使用周期
|
240月
|
|
認證測試周期
|
240月
|
|
安全數據: IEC 61508 - 低要求
|
|
名稱
|
該數據僅在需求率不超過每年一次的情況下生效。
|
|
設備類型
|
A類
|
|
安全完整性水平(SIL)
|
3
|
|
所需求的危險故障可能性(PFHAVG)
|
1.37 x 10-4
|
|
認證測試周期
|
66月
|
四、尺寸
|
寬度
|
22.5 mm
|
|
高度
|
112 mm
|
|
深度
|
114.5 mm
|
專業銷售菲尼克斯交換機 、菲尼克斯繼電器、菲尼克斯浪涌保護器等。歡迎來電咨詢!