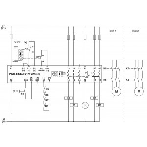
PSR-CE 系列經濟款菲尼克斯安全繼電器
l PSR-CE1 適用于急停、行程開關、安全門鎖、拉繩開關等“常閉觸點型傳感器”監控
l PSR-CE2 適用于安全光幕、激光掃描儀、非接觸式感應開關(OSSD)等“24V DC有源信號輸出傳感器”監控
l PSR-CE3 適用于上述所有傳感器
l PSR-CE2、PSR-CE3 具有帶監控的手動復位功能
l ***高符合 Cat. 4,PL e(EN ISO 13849-1)、SIL 3(EN 61508)、SILCL 3(EN 62061)
l 輸出為3個常開觸點、1個常閉觸點
l 模塊寬度22.5mm,可插拔式螺釘端子


菲尼克斯繼電器用于急停和安全門監控的安全繼電器,***高達SIL 3或4類、PL e(EN ISO 13849標準),單通道或雙通道操作,自動或手動激活,3 個常開觸點,1 個常閉觸點,2 個常開觸點具有固定的0.2 s ... 300 s 關斷延遲功能,插拔式螺釘接線端子

一、產品屬性
|
產品類型
|
安全繼電器
|
|
應用
|
急停按鈕
|
|
安全門
|
|
光柵
|
|
機械壽命
|
10x 106開關次數
|
|
繼電器型號
|
帶機械聯鎖觸點的機電式繼電器,符合IEC/EN 61810-3標準
|
二、電氣特性
|
額定條件下的***大功耗
|
3.72 W
|
|
額定操作模式
|
100 %符合條件
|
|
額定絕緣電壓
|
250 V AC
|
|
額定過電壓/絕緣
|
4 kV基礎安全隔離:
所有電流通路與外殼之間6 kV增強型隔離耐壓:
在13/14, 23/24, 33/34與保留電流通路之間在13/14, 23/24, 33/34相互之間
|
三、特性
|
安全數據
|
|
停止類別
|
0
|
|
安全數據: EN ISO 13849
|
|
分類
|
4 (無延時觸點)
|
|
3 (延時觸點)
|
|
性能等級(PL)
|
e (用于PL d級的延時觸點)
|
|
安全數據: EN 50156
|
|
安全完整性水平(SIL)
|
3
|
|
安全數據: IEC 61508 - 高要求
|
|
設備類型
|
A類
|
|
安全完整性水平(SIL)
|
3 (用于SIL 2級的延時觸點)
|
|
每小時危險故障可能性(PFHD)
|
1.89 x 10-9
|
|
認證測試周期
|
240 月
|
|
使用周期
|
240 月
|
|
安全數據: IEC 61508 - 低要求
|
|
設備類型
|
A類
|
|
安全完整性水平(SIL)
|
3 (用于SIL 2級的延時觸點)
|
|
所需求的危險故障可能性(PFHAVG)
|
1.43 x 10-4
|
|
認證測試周期
|
19 月
|
|
使用周期
|
240 月
|
四、尺寸
|
寬度
|
45 mm
|
|
高度
|
99 mm
|
|
深度
|
114.5 mm
|
專業銷售菲尼克斯交換機 、菲尼克斯繼電器、菲尼克斯浪涌保護器等。歡迎來電咨詢!