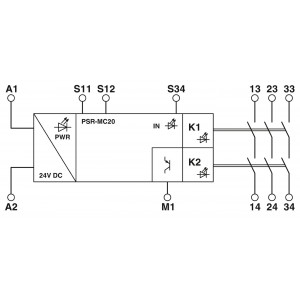
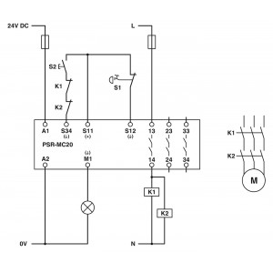
PSR-CE 系列經濟款菲尼克斯繼電器
l PSR-CE1 適用于急停、行程開關、安全門鎖、拉繩開關等“常閉觸點型傳感器”監控
l PSR-CE2 適用于安全光幕、激光掃描儀、非接觸式感應開關(OSSD)等“24V DC有源信號輸出傳感器”監控
l PSR-CE3 適用于上述所有傳感器
l PSR-CE2、PSR-CE3 具有帶監控的手動復位功能
l ***高符合 Cat. 4,PL e(EN ISO 13849-1)、SIL 3(EN 61508)、SILCL 3(EN 62061)
l 輸出為3個常開觸點、1個常閉觸點
l 模塊寬度22.5mm,可插拔式螺釘端子


菲尼克斯繼電器用于急停和安全門的安全繼電器,滿足SIL 1、Cat. 1,PL c,依據具體應用,可滿足SIL 3、Cat. 4,PL e,單通道操作,自動/手動啟動,3個啟動電流通路,Us = 24 V DC,插拔式螺釘連接器

一、產品屬性
|
產品類型
|
安全繼電器
|
|
應用
|
急停按鈕
|
|
安全門
|
|
電磁開關
|
|
繼電器型號
|
帶機械聯鎖觸點的機電式繼電器,符合IEC/EN 61810-3標準
|
二、電氣特性
|
額定操作模式
|
100 %符合條件
|
|
額定絕緣電壓
|
250 V AC
|
|
額定絕緣電壓
|
250 V AC
|
|
額定過電壓/絕緣
|
輸入電路與常開安全觸點輸出(13/14)、常開安全觸點輸出
(23/24)、常開安全觸點輸出(33/34)之間6 kV增強型隔離耐壓
所有電流通路與外殼之間4 kV基礎安全隔離
|
三、電源
|
名稱
|
A1/A2
|
|
額定控制電路電源電壓 US
|
20.4 V DC 26.4 V DC
|
|
額定控制電路電源電壓US
|
24 V DC -15 % / +10 %
|
|
額定控制電源電流IS
|
典型值 80 mA
|
|
US時的功耗
|
典型值 1.92 W
|
|
沖擊電流
|
5 A (Δt = 200 µs Us時)
|
|
延遲時間
|
1 ms (在A1處,在電壓驟降Us的情況下)
|
|
保護電路
|
浪涌保護; 抑制二極管
|
|
額定控制電源電壓的反極性保護
|
四、特性
|
安全數據
|
|
停止類別
|
0
|
|
安全數據: EN ISO 13849
|
|
分類
|
1 (根據應用場合,***高至4類)
|
|
性能等級(PL)
|
c (根據應用場合,***高至PL e)
|
|
安全數據: IEC 61508 - 高要求
|
|
安全完整性水平(SIL)
|
1 (根據應用場合,***高至SIL 3)
|
|
每小時危險故障可能性(PFHD)
|
1.5 x 10-9 (4 A DC13;5 A AC15;8760次開關循環/年)
|
|
認證測試周期
|
240 月
|
|
使用周期
|
240 月
|
|
安全數據: IEC 61508 - 低要求
|
|
安全完整性水平(SIL)
|
1 (根據應用場合,***高至SIL 3)
|
|
所需求的危險故障可能性(PFHAVG)
|
1.46 x 10-4
|
|
認證測試周期
|
60 月
|
|
使用周期
|
240 月
|
五、尺寸
|
寬度
|
12.5 mm
|
|
高度
|
112.2 mm
|
|
深度
|
114.5 mm
|
專業銷售菲尼克斯交換機 、菲尼克斯繼電器、菲尼克斯浪涌保護器等。歡迎來電咨詢!