施邁賽電磁安全鎖AZM系列的設計意圖在于:結合機器的控制部件(如自動防故障延時、防故障靜態監控等),防止可移動安全防護裝置,如圍欄、鉸鏈或門,在危險條件尚未排除的情況下(如運行時)被開啟。
這些電磁安全鎖也用于開啟防護裝置,以表示生產過程中未經允許不得進入的情況。

|
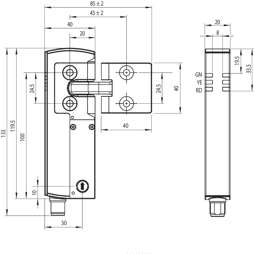
施邁賽電磁安全鎖 AZM40Z-ST-1P2P-PH
|

|
|
Ø 緊湊、扁平設計
|
|
Ø 119,5 mm x 40 mm x 20 mm
|
|
Ø 高持緊力 2000 N
|
|
Ø 扣緊力40N
|
|
Ø 基于需求的防篡改RFID技術
|
|
Ø 編碼級別“高”的獨立編碼版本,符合ISO 14119
|
|
Ø 適用鉸鏈門和滑動門的獨一型號
|
|
Ø 操動件可在180度角內連續聯鎖。
|
|
Ø 對稱安裝,可安裝在任意一側
|
一、總體數據
|
標準
|
EN ISO 13849-1
EN ISO 14119
EN IEC 60947-5-3
EN IEC 61508
|
|
通用信息
|
通用編碼
|
|
編碼等級,依據EN ISO 14119
|
低
|
|
作用原理
|
RFID
|
|
外殼材料
|
玻璃纖維,加強型熱塑塑料和輕合金壓鑄
|
|
準備就緒時間,***大
|
4,000 ms
|
|
響應時間,ZUI大
|
100 ms
|
|
毛重
|
302 g
|
|
響應時間,ZUI大
|
100 ms
|
|
風險持續期,ZUI大
|
200 ms
|
|
安全輸入關閉時的響應時間安全輸出,***大值
|
1.5 ms
|
二、產品特性
|
防護裝置鎖定監控
|
是
|
|
鎖
|
是
|
|
手動解鎖
|
是
|
|
短路檢測
|
是
|
|
短路識別
|
是
|
|
串聯連接
|
是
|
|
安全功能
|
是
|
|
整個系統檢測,狀態
|
是
|
|
安全觸點數量
|
2
|
三、安全評估
|
標準
|
EN ISO 13849-1
|
|
EN IEC 61508
|
|
聯鎖
|
|
性能水平,***高
|
e
|
|
控制類別
|
4
|
|
PFH值
|
1.10 x 10UU /h
|
|
PFD值
|
8.90 x 10UU
|
|
安全完整性等級 (SIL),適用于以下應用
|
3
|
|
任務時間
|
20年
|
|
防護鎖定
|
|
性能水平,***高
|
d
|
|
控制類別
|
2
|
|
PFH值
|
3.00 x 10UU /h
|
|
PFD值
|
2.40 x 10UU
|
|
安全完整性等級 (SIL),適用于以下應用
|
2
|
|
任務時間
|
20 年
|
四、機械參數
|
聯鎖原理
|
雙穩定
|
|
機械壽命,ZUI少
|
200,000 操作
|
|
合型力,符合 EN ISO 14119
|
2,000 N
|
|
合型力,ZUI大
|
2,600 N
|
|
鎖定力
|
40 N
|
|
操動速度,***大
|
0.5 m/s
|
|
固定螺絲類型
|
2 x M5
|
五、Mechanical data - Switching distances according EN IEC 60947-5-3
|
確保的開關距離 "ON"
|
1mm
|
|
確保的開關距離 "OFF"
|
8mm
|
六、Mechanical data - Connection technique
七、尺寸
|
傳感器長度
|
119.5 mm
|
|
傳感器寬度
|
40 mm
|
|
傳感器高度
|
20 mm
|
八、環境條件
|
防護等級
|
IP67
IP66
|
|
環境溫度,***小
|
+0 °C
|
|
環境溫度,***大
|
+55 °C
|
|
儲存和運輸溫度,***小
|
-40 °C
|
|
儲存和運輸溫度,***大
|
+85 °C
|
|
抗振性,依據EN 60068-2-6:
|
10 ... 55 Hz,振幅 1 mm
|
|
抗沖擊
|
30 g / 11 ms
|
|
防護等級
|
III
|
九、Ambient conditions - Insulation values
|
額定絕緣電壓
|
32 VDC
|
|
額定沖擊耐受電壓
|
0.8 kV
|
|
過電壓級別
|
III
|
|
污染等級,依據VDE 0100
|
3
|
十、電氣參數
|
No-load supply current I0 , maximum
|
100 mA
|
|
額定工作電壓
|
24 VDC - 15 % / + 10 % (穩定 PELV)
|
|
工作電流
|
1,200 mA
|
|
依據EN 60947-5-1額定短路電流
|
100 A
|
|
注意
|
根據輸出電流,電纜長度和電纜截面會改變電壓降
|
|
轉換頻率,***大
|
0.3 Hz
|
|
Current consumption magnet at switching moment, peak
|
600 mA / 100ms
|
|
Operating voltage
|
24 VDC -15 % / 10 % (stabilised PELV power supply )
|
專業銷售施邁賽電磁安全鎖 、施邁賽安全監控模塊、施邁賽安全開關傳感器等。歡迎來電咨詢!