施邁賽限位開關
輕型限位開關 M330
應用:
帶有安全功能的限位開關適用于滑動連接和鉸鏈連接,使用時必須封閉,以保證使用的安全。
本章中所示的所有1級安全開關在與安全控制模塊組合使用時能達到類別3或4,依據ISO 13849-1。
1級限位開關的進一步應用多數是各種各樣的定位職能。各種各樣的操動元件可滿足許多日常任務的要求。
設計及操作方式:
在1級限位開關上,防護裝置和肯定斷開NC觸點正連接。
所有安全開關外殼的防護等級為IP 67 安全開關可以安裝在任何需要的安裝位置。

|
施邁賽限位開關MS 330-11Y-M20 直桿S
|

|
|
l金屬外殼
|
|
l長壽命
|
|
l40 mm x 76 mm x 40 mm ( 基本結構)/ 適合低操作速度
|
|
l1 電纜進口 M 20 x 1.5 /無硅
|
|
l可在變電所應用
|
一、總體數據
|
標準
|
EN IEC 60947-5-1
|
|
作用原理
|
機械式
|
|
外殼材料
|
輕合金壓鑄,油漆飾面
|
|
外殼涂層材料
|
涂色
|
|
|
|
|
觸點材料,電氣
|
銀
|
|
毛重
|
217g
|
二、產品特性
三、安全評估
|
B10D 常閉觸點(NC)
|
20,000,000 操作
|
四、機械參數
|
執行元件
|
直桿
|
|
機械壽命,***少
|
30,000,000 操作
|
|
操作角度
|
20 °
|
|
操作動力,***小
|
17.5 N
|
|
接觸窗口
|
2 x 0.5 mm
|
|
操動速度,***小
|
1 mm/min
|
|
開關點的重復精度
|
0.02
|
五、Mechanical data-Connection technique
|
終端連接器
|
螺絲端子 M20 x 1.5
|
|
線纜截面,***小
|
1.5 mm²
|
|
電纜截面,***大
|
2.5 mm²
|
|
注(電纜截面)
|
所有的電纜截面表示包括了導線和線耳
|
|
線纜截面
|
13 AWG
|
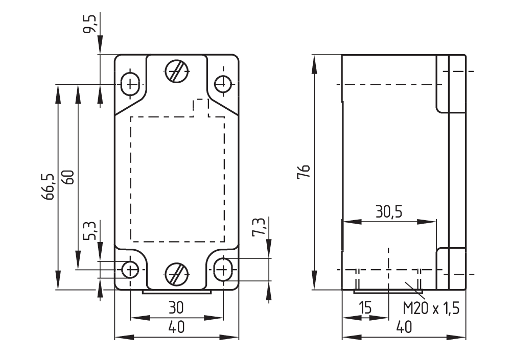
六、機械參數-尺寸
|
傳感器長度
|
40 mm
|
|
傳感器寬度
|
40 mm
|
|
傳感器高度
|
87 mm
|
|
直桿直徑
|
9mm
|
七、環境條件
|
防護等級
|
IP65
|
|
環境溫度,***小
|
-30 °C
|
|
抗沖擊
|
50 g / 6 ms
|
九、
Ambient conditions - Insulation values
|
額定絕緣電壓
|
250 V
|
|
額定沖擊耐受電壓
|
4 kV
|
九、電氣參數
|
熱測試電流
|
6 A
|
|
應用類別 AC-15
|
230 VAC
|
|
應用類別 AC-15
|
2.5 A
|
|
開關元件
|
NO觸點,NC觸點
|
|
注(開關元件)
|
電鍍分離式觸點橋
|
|
開關原理
|
速動
|
|
回彈時間,大
|
43,221 ms
|
|
切換時間,大
|
10 ms
|
專業銷售施邁賽限位開關、施邁賽安全磁傳感器 、施邁賽安全監控模塊、施邁賽安全開關傳感器等。歡迎來電咨詢!