火花間隙型1級復合雷電流電涌保護器- DEHNventil, DEHNvenCI, DEHNshield 系列-結合了防雷等電位連接與終端設備保護功能于一體。
DEHNventil modular
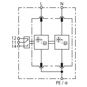
- 預接線的1級+2級+3級火花間隙型復合雷電流電涌保護器,由底座和可插拔整體式保護模塊組成
- 強大的RAC 火花間隙技術,為終端設備提供**的保護
- 短路電流至50 kArms時,20 A gG 熔絲不會誤動作
- 放電能力高達100 kA (10/350 μs)
- 可保護終端設備
- 通過視窗顯示的綠色或者紅色標志來指示工作狀態/故障狀態
- 帶有模塊鎖扣裝置,通過模塊釋放按鈕輕松更換保護模塊
DEHNventil M2 TN FM
貨號 954205 DV M2 TN 255 FM
全球貿易項目代碼 4013364398023, 海關關稅號: 85363090, 總重: 311.29 g, 包裝單位: 1.00 件
前代產品
全球貿易項目代碼 4013364398023, 海關關稅號: 85363090, 總重: 311.29 g, 包裝單位: 1.00 件
前代產品技術參數
| SPD依據EN 61643-11/ IEC 61643-11 | 1級+2級+3級 / I級+II級+III級 |
| 與終端的能量協調性 (≤10m) | 1級+2級+3級 |
| 標稱交流電壓 (UN ) | 230 V (50 / 60 Hz) |
| 交流***大持續工作電壓 (UC ) | 255 V (50 / 60 Hz) |
| 雷電沖擊電流 (10/350 µs) [L+N-PE] (Itotal ) | 50 kA |
| 比能量 [L+N-PE] (W/R) | 625.00 kJ/ohms |
| 雷電沖擊電流 (10/350 μs) [L,N-PE] (Iimp ) | 25 kA |
| 比能量 [L,N-PE] (W/R) | 156.25 kJ/ohms |
| 標稱放電電流 (8/20 μs) [L/N-PE]/[L+N-PE] (In ) | 25 / 50 kA |
| 電壓保護水平 [L-PE]/[N-PE] (UP ) | ≤ 1.5 / ≤ 1.5 kV |
| 復合波發生器的開路電壓 (Uoc) | 6 kV |
| 工頻續流遮斷能力 (Ifi ) | 50 kArms |
| 續流抑制/選擇性 | 預期續流到50 kArms 時,30A gG 熔絲不動作 |
| 響應時間 (tA ) | ≤ 100 ns |
| IK = 50 kArms, ***大后備熔絲 (L) | 250 A gG |
| TOV 特性 (UT) [L-N] | 440 V / 120 min 耐受 |
| 當Iimp=2.5kA... 25kA,在后級壓敏電阻(S20K275)上的殘余能量 | < 1 J |
| 工作溫度范圍 并聯/串聯 (TU ) | -40 °C ... +80 °C / -40 °C ... +60 °C |
| 工作狀態/故障指示 | 綠 / 紅 |
| 端口數 | 1 |
| ***小安裝導線截面積 (L, N, PE, 9) | 6 mm2 單股線/軟線 |
| ***大安裝導線截面積 (L, N, PE, 9) | 35 mm2 多股線 / 25 mm2 軟線 |
| 安裝方式 | 35 mm DIN 軌,依據 EN 60715 |
| 外殼材質 | 紅色熱塑性材料,UL 94 V-0 |
| 安裝地點 | 室內 |
| 防護等級 | IP 20 |
| 尺寸 | 2 模數,DIN 43880 |
| 認證 | VDE, KEMA, UL |
| 遙信觸點類型 | 浮動切換觸點 |
| 交流負載能力 | 250 V / 0.5 A |
| 直流負載能力 | 250 V / 0.1 A; 125 V / 0.2 A; 75 V / 0.5 A |
| 遙信終端的橫截面積 | ***大1.5 mm2 單股線/軟線 |
| 用于預期短路電流大于50 kArms的配電設備(經過VDE測試) | --------------------------------- |
| - ***大預期短路電流 | 100 kArms (220 kApeak) |
| - 主回路續流的抑制能力/遮斷能力 | 高達100 kArms (220 kApeak) |
| - IK = 100kArms 時的***大后備熔絲 | 250 A gG |
在線客服
企業微信



[VIP第2年] 指數:1
通過認證 









