| |
工博士中負載工業機器人GBS20-K1735 |
 點擊圖片查看原圖
|
|
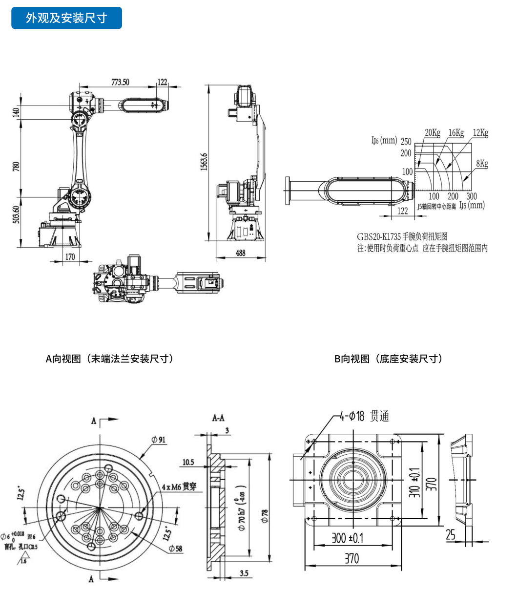
| 活動半徑: |
1735mm |
| 負載: |
20kg |
| 重復定位精度: |
±0.05mm |
| 單價: |
面議 |
| 所在地: |
上海 |
| 有效期至: |
長期有效 |
| 最后更新: |
2023-10-12 16:22 |
| 瀏覽次數: |
130 |
 |
|
|
|
- 機器人導軌專賣
-
[VIP第4年] 指數:1
-
通過認證 [誠信檔案]
-
聯系人劉彬(先生) 銷售
- 會員 [當前離線] [加為商友] [發送信件]
- 郵件liub@gongboshi.com
- 電話18621383607
- 手機18621383607
- 地址上海市寶山區富聯一路98弄6號
-
|
|