| |
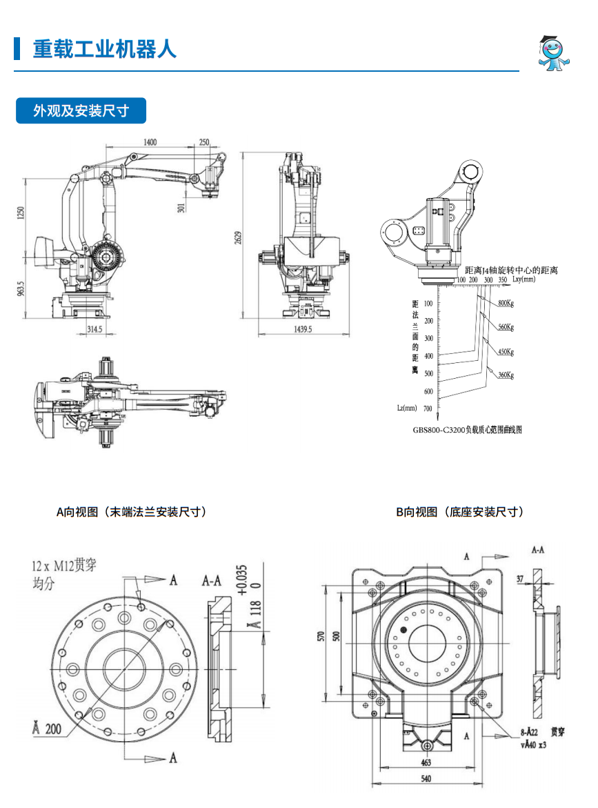
工博士 ALPHTIC 系列 (重載型)GBS800-C3200負載:800kg臂展:3177mm |
 點擊圖片查看原圖
|
|
| 品牌: |
工博士 |
| 負載: |
800kg |
| 臂展: |
3177mm |
| 單價: |
面議 |
| 所在地: |
上海 |
| 有效期至: |
長期有效 |
| 最后更新: |
2023-09-26 18:33 |
| 瀏覽次數: |
98 |
 |
|
|
|
- 工博士機器人導軌
-
[VIP第4年] 指數:1
-
通過認證 [誠信檔案]
-
聯系人魏峰(先生) 銷售經理
- 會員 [當前離線] [加為商友] [發送信件]
- 郵件wf@gongboshi.com
- 電話18964551752
- 手機18964551752
- 地址上海市寶山區富聯一路98弄6號
-
|
|