西安山特ups電源代理商公司_青鵬科技(西安UPS電源代理10K15KVA主機15029900325,18092092269)值得買的存儲設備山特ups電源10K15KVA使用中遇到的斷電關機時間問題城堡UPS電源3C10KS3C15KS
山特ups電源3C10KS 3C15KS 3C20KS感謝您使用山特產品!請嚴格遵守本手冊和機器上的所有警告及操作說明,并妥善保管本手冊。在沒有閱讀完所有的安全說明和操作說明以前,請不要操作本機。
山特ups電源產品防偽

為了切實保障您的用電安全,幫助您購買到真正的山特ups電源,請注意以下事項:
1. 認準山特注冊商標:
2. 山特電子(深圳)有限公司在中國從未以任何形式授權委托其它公司生產UPS;
3. 山特產品機身上貼有 “中國質量檢驗協會”監制的防偽標簽,可撥打電話
4. 山特所有產品機身上均貼有“產品序列號”(產品序列號是***的,一個產品對應一個序列號);
5. 消費者可以通過以下途徑對產品真偽進行鑒別。
使用存儲器設備山特ups電源體驗以及使用中遇到的問題
DIY的存儲器設備待機功耗45W左右,兩塊4T機械硬盤,一塊128G的SSD固態硬盤,連接一個用作交換機的路由器,總待機功耗不超過50W,TG-BOX850估計供電時間3072秒,約51分鐘。
存儲器UPS電源10K15KVA產品應用:
服務器UPS供電方案
交換機UPS供電方案
學校UPS供電方案
建筑樓宇UPS供電方案
制造業UPS供電方案
實驗室UPS供電方案
醫療行業UPS供電方案
工業控制UPS供電方案
生產設備UPS供電方案
儀器設備UPS供電方案
機房UPS供電方案
山特ups電源10K15KVA存儲器3C10KS3C15KS安全
1. 在使用本產品前,請仔細閱讀“安全注意事項”,以確保正確和安全的使用。并請妥善保存說明書。
2. 操作時,請注意所有警示標記,并按要求進行操作。
3. 避免在陽光直接照射、雨淋或在潮濕的環境使用本設備。
4. 本設備不能安裝在靠近熱源區域,或有電暖爐、熱爐等類似的設備附近。
5. 放置UPS時,在其四周要留有安全距離,保證通風。安裝時,請參照說明書。
6. 清潔時,請使用干燥的物品進行擦拭。
7. 若遇火警,請正確使用干粉滅火器進行滅火。若使用液體滅火器會有觸電危險。
電氣安全
非人員請勿打開機殼,請有授權的維修人員操作。
1. 上電前,請確認已正確接地,并檢查接線和電池可以的性的連接正確。
2. 當UPS需要移動或重新接線時,應斷開UPS 所有電氣連接,保證UPS停機,否則輸出端仍可能帶電,有觸電的危險。
3. 請使用山特的附加裝置和附件。
4. 小心電擊:
維護由UPS供電設備時,請斷開設備與UPS的連接;
維護和安裝UPS輸入輸出端子時,請關閉UPS,并斷開UPS 所有電氣連接。
山特ups電源10K15KVA存儲器3C10KS3C15KS蓄電池安全
1. 電池的壽命隨環境溫度的升高而縮短。定期更換電池可保證UPS工作正常,并保證足夠的后備時間。
2. 蓄電池維護只能由具備蓄電池知識的人員來進行。
3. 蓄電池存在電擊危險和短路電流危險。為避免觸電傷人事故,在更換電池時,請遵守下列警告:
A. 不要佩帶手表、戒指或類似的金屬物體 ;

B. 使用絕緣的工具 ;
C. 穿戴橡膠鞋和手套 ;
D. 不能將金屬工具或類似的金屬零件放在電池上 ;
E. 在拆電池連接端子前,必須先斷開連接在電池上的負載。
4. 請不要將蓄電池暴露于火中,以免引起爆炸,危及人身安全。
5. 非人士請勿打開或損毀蓄電池,因為電池中的電解液含有強酸等危險物質,會對皮膚和眼睛造成傷害。如果不小心接觸到電解液,應立即用大量的清水進行清洗,并去醫院檢查。
6. 請不要將電池正負可以的短路,會導致電擊或著火。使用保養
1. 使用環境及保存方法對本產品的使用壽命及可靠性有一定影響,請不要在以下工作環境中使用:
A. 超出技術指標規定(溫度0℃~40℃,相對濕度20%~90%)的高、低溫和潮濕場所;
B. 有振動、易受撞的場所;
C. 有金屬性粉塵、腐蝕性物質、鹽份和可燃性氣體的場所。
2. 如果長時間放置不使用,必須將UPS(不帶電池)存放在干燥的環境中,存貯溫度范圍:-25℃~+55℃。UPS開機之前,必須先讓環境溫度回暖至0℃以上,并維持2小時以上。
1、簡介
1.1 符號說明
1.2 前視圖
1.3 后視圖
1.4 產品規格
2、山特ups電源10K15KVA存儲器3C10KS3C15KS安裝
2.1 拆包檢查
2.2 配線表
2.3 UPS連接
2.4 外接電池的安裝
2.5 連接到計算機接口
2.6 并機套件(選件)
2.7 智能插槽與智能卡(選件)
2.8 EPO(選件)
2.9 維護開關(選件)
2.10 USB接口(選件)
山特ups電源10K15KVA存儲器3C10KS3C15KS應用場景:
存儲器、網絡設備、VoIP、通訊設備、自動化設備、Office 辦公終端
中小型企業、大型企業分支機構、銀行網點等小型化數據中心
精密儀器設備等
產品特性規格參數文檔下載
輸入功因高達0.99
3/1 15/20KVA支持三相PFC, 輸入THDI< 5%
1%輸出電壓精度,0.1%輸出頻率精度,1%并聯均流
電池節數可調
16/18/20節電池可調(適用于15K/20K)
方便的獲得更長的放電時間或者更低的系統成本
方便通過電池獲利
充電電流可調
充電電流標配4A
可擴展至8A,可以支持更長的放電時間,支持更大電池
輸入拓撲可調
既可支持三相輸入,也可支持單相輸入
3、控制面板
4、操作
4.1 開機
4.2 關機
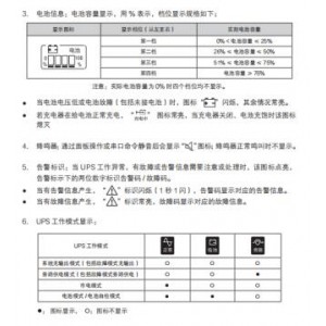
5、電池維護與保養
6、常見故障處理
7、山特ups電源10K15KVA存儲器3C10KS3C15KS維修保證
本系列山特ups電源10K15KVA是一種**的在線式存儲器3C10KS3C15KS正弦波不間斷供電系統,可以為您的精密設備提供可靠、可以的的交流電源。其適用范圍很廣,可以用在電腦設備、通信系統以及工業自動控制設備上,存儲器3C10KS3C15KS同時還可提供豐富的選配件功能,滿足不同需求。它的雙轉換在線式設計,不同于后備式UPS存儲器3C10KS3C15KS。當市電正常時,它會對市電進行調整、濾波,為您的設備提供更加可以的的電源;當市電異常或中斷時,它會無時間中斷地從備用電池為您的設備提供可以的的后備電源;在過載或逆變失敗情況下,UPS 會轉換到旁路狀態,由市電供電;若過載情況消除,UPS 會自動轉回到逆變器供電狀態。