機器人快換接頭是一種設計用于快速更換機器人末端執行器的接頭。它通常用于工業機器人或自動化系統中,以便根據任務需求更換不同類型的工具、夾具或末端執行器。

工博士機器人快換裝置
快換接頭的設計目的是提高生產線的靈活性和效率。傳統上,更換機器人末端執行器可能需要耗費較長時間,并且涉及到復雜的接線和重新校準的過程。而快換接頭則通過一種可靠的、快速的連接機制,使得更換末端執行器變得更加簡便和迅速。
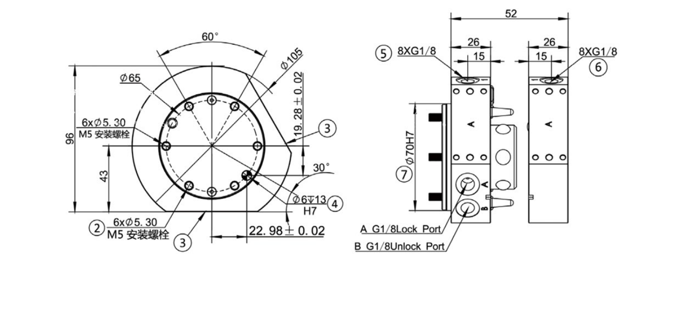
快換接頭通常由兩個部分組成:基座和插頭;潭ㄔ跈C器人上,插頭連接到末端執行器上。它們通過一種可靠的連接機制,如機械鎖定、磁力吸附或氣動夾持等,快速、準確地連接和斷開。

通過使用機器人快換接頭,操作人員可以快速更換末端執行器,從而適應不同的任務需求,提高生產效率并減少停機時間。這在需要頻繁更換工具或在自動化生產線上進行靈活生產的情況下特別有用。

