R系列機器人為所有小中型工業機器人設定了基準。緊湊的設計和業界領先的速度、伸展距離和工作范圍使R系列機器人適用于遍及眾多不同行業的廣泛應用范圍。
RS030N概述:
負載 30 kg
水平伸展距離 2,100 mm
垂直伸展距離 3,697 mm
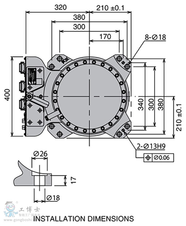
重復性 ±0.06 mm
*大速度13,400 mm/s


RS030N的規格
| RS030N 的規格 |
| 自由度 |
6 軸 |
| 負載 |
30 kg |
| 水平伸展距離 |
2,100 mm |
| 重復性1 |
±0.06 mm |
工作范圍
(度)
&
*大速度
(度/秒) |
軸 |
運動范圍 |
*大速度 |
| JT1 |
±180° |
180°/s |
| JT2 |
+140° ~ -105° |
180°/s |
| JT3 |
+135° ~ -155° |
185°/s |
| JT4 |
±360° |
260°/s |
| JT5 |
±145° |
260°/s |
| JT6 |
±360° |
360°/s |
| 手腕承載能力 |
軸 |
*大力矩 |
慣性力矩 |
| JT4 |
210 N•m |
16.8 kg•m2 |
| JT5 |
210 N•m |
16.8 kg•m2 |
| JT6 |
130 N•m |
6.6 kg•m2 |
| 質量 |
555 kg (不包括選配設備) |
| 機身顏色 |
川崎標準色 |
| 安裝 |
地面, 懸掛
|
| 保護等級 |
手腕: IP67 基座: IP65 *同等 |
| |
|
|
| 型號 面向日本 & 亞洲
|