R系列機器人為所有小中型工業機器人設定了基準。緊湊的設計和業界領先的速度、伸展距離和工作范圍使R系列機器人適用于遍及眾多不同行業的廣泛應用范圍。
RS003N概述:
負載 3 kg
水平伸展距離 620 mm
垂直伸展距離 967 mm
重復性 ±0.02 mm
*大速度6,000 mm/s


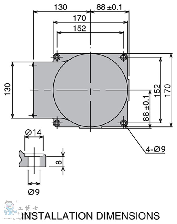
RS003N的規格
| RS003N的規格 |
| 自由度 |
6 軸 |
| 負載 |
3 kg |
| 水平伸展距離 |
620 mm |
| 重復性1 |
±0.02 mm |
工作范圍
(度)
&
*大速度
(度/秒) |
軸 |
運動范圍 |
*大速度 |
| JT1 |
±160° |
360°/s |
| JT2 |
+150° ~ -60° |
250°/s |
| JT3 |
+120° ~ -150° |
225°/s |
| JT4 |
±360° |
540°/s |
| JT5 |
±135° |
225°/s |
| JT6 |
±360° |
540°/s |
| 手腕承載能力 |
軸 |
*大力矩 |
慣性力矩 |
| JT4 |
5.8 N•m |
0.12 kg•m2 |
| JT5 |
5.8 N•m |
0.12 kg•m2 |
| JT6 |
2.9 N•m |
0.03 kg•m2 |
| 垂直伸展距離 |
20 kg (不包括選配設備) |
| 機身顏色 |
川崎標準色 |
| 安裝 |
地面, 懸掛 |
| 保護等級 |
IP54 *同等 |
| |
|
|
| |
| 控制柜 |
型號 面向北美 |
F60 |
| 型號 面向歐洲 |
| 型號 面向日本 & 亞洲 |